Pozdrav za sve članove foruma ,a sam čika Zloba iz Beograda.Pratim forum već neko vreme i našao sam mnogo korisnih saveta iz raznih oblasti.Trenutno imam jedan mali problem pa tražim savet.Naime posle nakoliko godina grejanja na peć na kerozin ili eko-gorivo kako su ga krstili na pumpi, morao sam da pređem na TA peć.Peć je AEG snage 5kW.Da ne bih morao da čekam ponoć da je uključim po nižoj tarifi treba mi savet kako da povežem monofazni digitalni tajmer /koji bi služio kao pobuda/ sa nekom trofaznom sklopkom.Tajmer imam a treba mi i savet koja bi bila odgovarajuća sklopka.
Tajmer za TA peć
Ta koja ima da se kupi nema izvod stalne faze za ventilator
ja sam to uradio ovako na 4 TA peci
http://www.samsvojmajstor.com/Forums/viewtopic/t=4909/postdays=0/postord...
Tvoja pec verovatno ima 4,5KW tri grejaca po 1,5KW
matematika je sledeca: 1500w podeljeno sa 220V jednako 6,8A za sigrne i dugotrajne kontakte preporucujem sklopku 10A po kontaktu.
Ja sam uzimao iskrine u merkuru tamo su bile najjevtinije
@milisav 68
pronašao sam oglas za trofazni tajmer cena je 35 EUR, ali nema sklopku već na neki drugi način propušta struju do peći i uz njega ide tajmer koji radi na struju i kod svakog nestanka struje treba ga ponovo podešavati.
@clockwork_orange
pogledao sam tvoju šemu i to je to.Grejači su po fazama 1x1250,2x1250 i 1x1250 što znači minimum 15 A po kontaktu ali ne znam da li je to standardna vrednost ili ide 20 A.
Strujno kolo.
Snaga=Napon x Struja
5000W podeljeno sa 220V jednako 22,72A.
Veliki potrošači nisu za zezanje, tako da je moj savet 25A.
Ok, slazem se nije za zezanje potražiću od 25A.Ajde sad kad smo jedan problem rešili imam još jednu ideju.Naime da li bi vredelo na zid sa zadnje strane peći, staviti tablu mineralne vune umotane u alu foliju da ne bi grejao zid komšijinog kupatila.
Da ne bude zabune
Ja sam napisao 10A po kontaktu tako da ako sklopka ima tri kontakta to je ukupno 30A
Obrati paznju kada kupujes da je oznaka amperaze po kontaktu a ne ukupna ako je ukupna ja ne bi kupovao ispod 30A mada i 25A zavrsava posao vidi po ceni cesto tih 5A razlike znaci i duplu skuplju sklopku
Nabavio sam sklopku na 440V izdržava snagu od 11Kw.Sada samo da sve spakujem u kutiju po ću okačiti sliku.
Sve sam povezao, ugradio u kutiju, isprobao i odlično funkcioniše.Hvala svima za savete i sugestije.
Ok, slazem se nije za zezanje potražiću od 25A.Ajde sad kad smo jedan problem rešili imam još jednu ideju.Naime da li bi vredelo na zid sa zadnje strane peći, staviti tablu mineralne vune umotane u alu foliju da ne bi grejao zid komšijinog kupatila.
Ako je peć ispravna, u smislu unutrašnje toplotne izolacije, nije potrebna nikakva dodatna spolja. Peć se inače nikada ne postavlja uz sami zid, već na min. 15-20 cm rastojanju zbog cirkulacije vazduha.
A ako nije, bolje joj je zameniti celu unutrašnju izolaciju (nije to nešto mnogo kamene vune) pa si miran, nego je ostaviti da nepotrebno rasipa energiju.
Inače, ovaj sklop sa tajmerom je odlično urađen!
Za svaku pohvalu - pedantno, uredno i estetski, za primer drugima. :+
Ako nije kasno, može li neka fotka unutrašnjosti?
Peć je potpuno reparirana,nova vuna,novi grejači, nova instalacija,termostati i ventilator su bili ispravni i nisu menjani.Nažalost morao bi sve da rasklopim da mogu da slikam unutrašnjost a sve je upakovano vrlo tesno.Kutija je od nekog prastarog diaprojektora idealnih dimenzija i iz malo sečenja sve se odlično uklopilo.Pozdrav
Pozdrav pre svega,
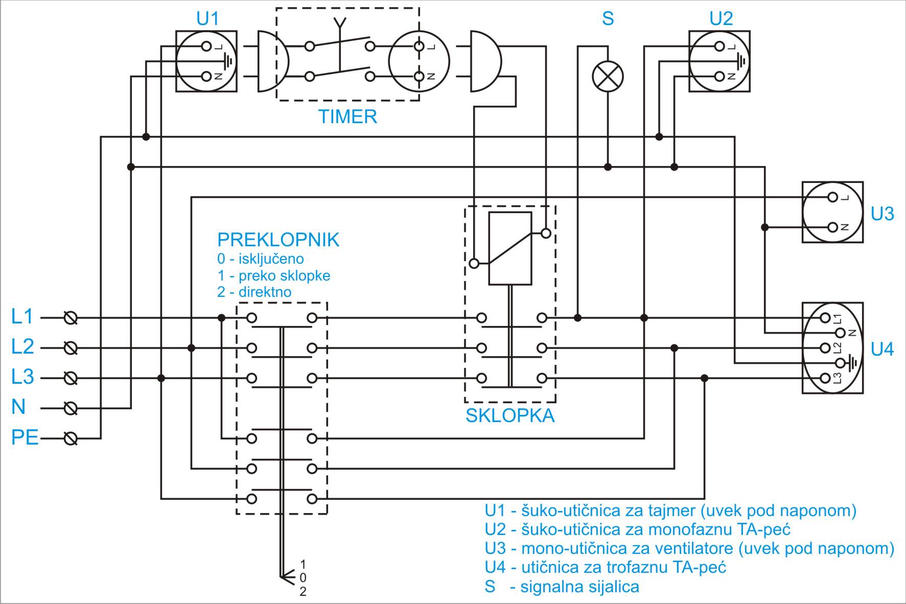
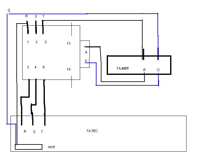
Evo kako izgleda semica povezivanja TROFAZNE TA peci na tajmer preko kontaktera tj. sklopke.
Oznake
1-3-5-2-4-6 kontakti od "snage"
13-14 Pomocni kontakti
a-b Spulna kontaktera (upravljanje)
[img]
Uploaded with ImageShack.us[/img]
Izvini na neukom crtanju!
I da UPOZORIM:
SVAKO PETLJANJE SA STRUJOM MOZE DA BUDE OPASNO PO ZIVOT!
Kontakter ili ti sklopku trazi ISKRIN ILI KONCAREV CN16 ili CN25
Nabavio sam sklopku Schneider LC1D25, povezano je kao na šemi koju si poslao, u svakom slučaju hvala na savetu.
Ziv bio
A ventilator??
U ovom slucaju ventilator ne radi kada je sklopka iskljucena
Nadam se da se ne ljutis malo sam prepravio tvoju semu
Evo i slike jednog od tajmera na mojim pecima, od kako sam postavio tajmere na sve TA peci prepolovio sam racun za struju
Primetio sam to pa sam jednu fazu sa ulaska u sklopku doveo na ventilator i sada moze da se ukljuci ventilator i kad je sklopka isljucena.
Kako smo poceli mogli smo sve ovo da odradimo i preko PLC-a..
Mala sala! Naravno da se ne ljutim,druze postavio sam osnov,a vi dodajte......
Što se mene tiče posao je završen,samo da dođe zima /što kasnije/ pa da skalameriju svečano pustim u pogon.
Problem sa ventilatorom je taj sto nikad ne znas na koju je fazu ventilator povezan. Nasi majtori vezuju kako stignu
. Opet i kad se ta faza nadje i ''premosti" pecka opet mora da se iskljuci na termostatu da ne bi trosila skupu struju. Za sada, bar, nema univerzalnog resenja. Ja sam pokusao to da resim preko meraca snage koju pecka povuce i da uredjaj napravi razliku izmedju grejaca i ventilatora ali to je bi dosta podiglu cenu uredjaja a i pitanje je kako bise to izvelo. Najprostije resenje je da se monofazni tajmer, kad zelimo da pecka duva, prebacimo na mauelni rad.
... pecka opet ... preko meraca snage koju pecka ... kad zelimo da pecka ...
Ja sve vreme gledam o kakvom peckanju se radi - kad ono čovek lepo kaže "pećka", ali bez naših slova ... jbg. :hh
smurflander wrote:... pecka opet ... preko meraca snage koju pecka ... kad zelimo da pecka ...
Ja sve vreme gledam o kakvom peckanju se radi - kad ono čovek lepo kaže "pećka", ali bez naših slova ... jbg. :hh
Sorry Bro 
Po standardima za izvodjenje elekto instalacija uvek se u suko uticnici faza postavlja sa desne strane, takodje po standardima uvek prekidac prekida fazu.
Tajmerski uredjaj je radjen po standardima i prekida desnu stranu
Rasturis tajmerski uredjaj pronadjes zgodno mesto pre prekidaca i zalemis kabl za stalnu fazu, probusis rupu i provuces kabl sve lepo sklopis i ubodes u uticnicu.
Proveris na kablu od peci gde je faza i obelezis na viljuski flomasterom i iskljucivo u tom polozaju ukljucujes pec u tajmerski uredjaj.
Kabl koji si predhodno izvukao vezes za fazu od ventilatora.
I sve radi, sat vremena posla i miran si celu zimu dve tri ...
OBAVEZNO PROVERITI GDE SU FAZE A GDE NULE "MAJSTORI" CESTO OBRNU
Izgleda ovako ja sam u ovom slucaju koristio ugaonu viljusku gde je logicno kako se ukljucuje
Evo i jednostavnije varijante za neiskusne dosta sigurnije ali manje elegantne
cini mi se da nece moci ovako kao na gornjim slikama.
Zanemaruje se osnovno a to je struja koja prolazi kroz sirote kontakte relejcica. OVAKO kao na gornjij slici NIKAKo
Pa sad
Tajmer ima prekidac a ne relej prekidac je od 16A so je ok za 3,5KW
4 TA peci mi rade tako vec godinama bez ikakvih problema
3500w/220v=15,9A!!!!!!!!!!!!!!!!!!!!!! :nono :nono :nono :nono :nono
Na samoj granici PALJENJA>
Ovo zaista nije dobra varijanta.
Kontakter ili sklopka uz tajmer je obavezna
Pa još ako napon varira(a gotovo svagde varira u grejnoj sezoni) eto belaja! :nono
tako je.
Uz svo duzno postovanje kolegama iz elektro struke,skrecem paznju da se sa strujom nije saliti. Apelovao bih i na to da svaka prepravka koja se radi na El. instalaciji mora biti uradjena u skladu sa standardima i propisima!
Eva došla je i zima,tajmer odrađuje svoj posao odlično, nisam izvodio fazu za ventilator samo prebacim tajmer na manual i punjenje na 0.Nekoliko dana sam grejao i komšijsko kupatilo ali sa dve table stiropora 5cm i nekoliko metara alu folije smanjio sam temperaturu zida iza peći za skoro 15 stepeni.

Ima da se kupi sklopka sa tajmerom u kompletu, i koliko se sećam nije bila mnogo skupa.Mislim da je to jednostavnije rešenje.