Potrebna mi je pomoc i savet kako resiti problem sa losim pritiskom vode ?
Citala sam nesto ovde ali sad citajuci nisam sigurna sta je pametno 
Naravno problem sa vodom je u Beogradu ali u prigradskom naselju ... ne bi da komentarisem dalje ...
Situacija je sledeca :
- stambena zgrada
- stan na 2. spratu
- sistem je moguce postaviti na zemlji sa spoljasnje strane zgrade
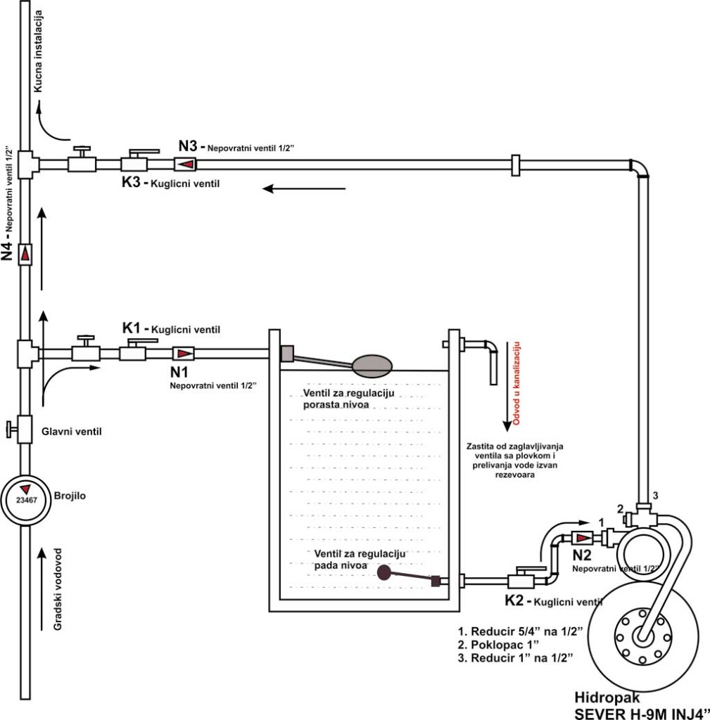
Ideja je da se resi na sledeci nacin :
- hidropak severov recimo 9
- rezervoar za vodu ne manji od 500 L ne moze da se ukopa mora da se ozida i dobro izoluje, pozicija na zemlji sa spoljasnje strane zgrade
- nepovratni ventili
- sistem kompletno mora da se postavi sa spoljasnje strane zgrade i izoluje
- mogucnost opcije koriscenja vodovodne instalacije zgrade i po potrebi prebacivanje na sistem sa rezervoarom koji ne puni instalaciju zgrade (ostali stanari nisu zainteresovani da ucestvuju ... finasije problem ...)
- filteri za vodu izmedju rezervoara i vodomera
1.) STA NEDOSTAJE ?
2.) GDE KUPITI REZERVOAR OD 500 L u Beogradu ?
3.) KOJI TIP REZERVOARA ?
4.) KAKO RESITI DA VODA NE PRELIVA IZ REZERVOARA KAD SE REZERVOAR NAPUNI ?
5.) ELEKTROMAGNETNI VENTIL, GDE KUPITI, KOLIKO KOSTA ?
6.) DA LI VENTIL KAO ZA VODOKOTLIC, KOLIKO JE SIGURNA OVA VARIJANTA, STA AKO ZAGLAVI ?
7.) DA LI NEKO IMA ISKUSTVA SA OVAKVIM SISTEMOM I KAKO SE ODRZAVA / CISTI ?
8.) KOJI TIP FILTERA ZA VODU, GDE KUPITI I KOLIKO BI TO MOGLO DA KOSTA ?
9.) KOLIKO AKO SVE RADIMO SAMI OVA INVESTICIJA MOZE DA BUDE UKUPNO ?
Mnogo pitanja, nadam se da neko ovde ima iskustva sa ovakvim sistemom 

)

Taj problem je najbolje rešiti frekventno regulacionom pumpom.Za to nije potreban rezervoar, potrebna je pumpa i automatika.Cena za stambenu zgrdau, zavisi od broja korisnika izmedju 1 i 2 hiljade evra.
Без алата нема заната, a без знања ни најбољи алат неће помоћи..