Posle pročitanih silnih tema i postova ovde na forumu Instalacije grejanja i klimatizacije, došao sam do zaključka da ljudi i dalje prave greške (možda neki i svesne) prilikom izrade novih ili prepravke starih grejnih sistema.
Odlučio sam da otvorim novu temu na kojoj ćemo svi imati mogućnost da kroz diskusiju dođemo do optimalnog, ali ispravnog rešenja za preradu postojećih ili planiranih novih grejnih instalacija.
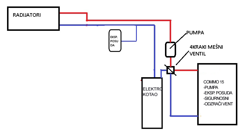
U prilogu je i jedna šema pravilno izvedene hidraulične instalacije za dva grejna kruga, kao i ispravno setovane sve radne temperature i pritisak u sistemu.
Podeliću ovde i jedan post koji sam napisao na drugom forumu, a koji je usledio nakon sugestija da se napravi ispravna hidraulična instalacija, ali je budžet bio mali, pa aj da se onda zbog tog malog budžeta sve napravi nakaradno i onako kao ne treba. Ima li smisla za tako nešto!?
Srkson wrote:
Nema tu kompromisa, budžet mali, ovo ili ono!? A jel neko nekad imao veliki budžet? Teško, po pravilu je uvek mali!
Ovde se ne radi o malom budžetu, već o tome šta je ispravno da se napravi i šta je neispravno, ali će da radi! Kako će da radi? E onda ide čuveni odgovor: Radiće, ama ne valja!
Sledi kuknjava na potrošnju, ali ne samo na potrošnju, nego na nekomforno grejanje. Vreli radijatori, brzo dostizanje referentne temperature, pa hlađenje grejnog prostora u kome imamo subjektivni osećaj da je hladno, iako termometar pokazuje 21,5C jer je temperatura u padu, pa ponovo paljenje gorionika i tako u krug jedno 10 puta!
Ovu temu smo prožvakali posle svake stote strane foruma. I ja kada sam se "doselio" na ovaj forum nisam ništa znao, ali sam brzo ukapirao i razdvojio dobro od lošeg i prihvtio šta valja, a odbacio šta ne valja!
Treba biti pametan i ugraditi ono što je u prvi mah neophodno da bi bila ispravno izvedena hidraulična instalacija, a tek tamo negde u budućnosti može da se razmišlja o "kićenju jelke" sa raznoraznim automatikama i ostalim tricama. Pa vi ugradite četvorokraki ventil i otvorite ga do kraja, to je isto kao i da ga nemate, ali ga ipak imate, ali imate pravilno izvedenu hidrauličnu instalaciju. Moći ćete da eksperimentišete sa položajima četvorokrag mešnog ventila i videti šta vašem grejnom prostoru najviše odgovara, ovako sistem je zakucan, a vama ostaje samo puni i teraj, samo neka cepa!
Možda ja za nekoga grešim u mojim razmišljanjima, ali kroz sve ovo sam ja već prošao tako da teško mogu biti razuveren u ovo o čemu pišem. Treba razmišljati dugoročnije, pametan čovek se uči na svojim i tuđim greškama! Na sve ovo mogu da dodam po ko zna koji put i sledeće: Baš su glupi ovi proizvođači što prave i prodaju mešne ventile kada uopšte nisu potrebni!
Ili svo ovo moje pisanije da bacimo u vodu ako je cilj da se sada sa malim budžetom uradi onako kako može da radi, ali ne valja, a posle PREPRAVLJATI!? To će sigurno da košta mnogo više od razlike koja se sada stvorila između ove dve opcije.
Poslušali su neki moje savete na ovom forumu, da ih pitamo da li su se pokajali? I oni su imali male budžete, ako ne i manje!
Ja toliko!
Svako dobro želim svima!
Kotao je ekopanov, grejaci nisu sa navojem nego sa flansom tako da ne mogu da ih prebacim u AT...
Jos jedno pitanje...velicina ekspanzione posude? U sistemu ce biti oko 100L + AT 1000L.....znaci ukupno 1100L