Kao prvo da kazem da sam totalini laik, dosao sam u posed ovog motora pa bih da ga povezem na napon. Mislim da je trofazni ali nisam siguran. Moje pitanje je kako da ga povezem?
Povezivanje elektromotora
Reko bih da je motor 1.1 ili 1.2kw posto je tablica malo izlizana. Svakako ako si laik ne pipaj. Odnesi ga kod nekog elektricara da ga pusti u rad i da proveri lezajeve i namotaje da nisu probili. Ono sto vidi sa slike da samo tri zice izlaze iz njega, pa zbog toga verovatno je zvezdiste u motoru. To mozes proveriti unimerom i izmeriti otpor izmedju zica, odnosno namotaja. trebalo bi da izmedju svakog namotaja bude skoro indentican otpor +-2%. Sa klemberta potrebno je skinuti limove, odnosno zvezdiste, posto kao sto sam rekao zvezdiste je u motoru.
Ako sam dobro shvatio, tri faze na ove tri zice na motoru, uzemljenje na kuciste a nulu na ove limčiće. Nije mi jasno zašto nulu (plavu) na limčiće kad ništa nije vezano za njih. Kabal 5x2,5, jos me zanima samo koji prekidač, jel treba da prekida sve tri faze, imate neki predlog ili kako izgleda takav prekidač.
treba ti grebenasti prekidač
ako planiraš motor na neku mašinu cirkular krupač ili nešto slično trebalo bi i sklopku da staviš na njega da ti čuva motor da ne izgori
ali ako se ne razumeš nemoj da praviš nego odnesi kod nekog električara da ti to lepo uradi izaće te jeftinije
bićeš siguran da je dobro urađeno i bezbedno nije se igrati sa time
Ako nema veze između namotaja motora i limčića onda je zvezdište u motoru tako da na gornja tri izvoda dolaze tri faze. Prekidač bi trebao da bude tropolni od min 10A. Može i grebenasti prekidač u nekom kućištu.
Da li može ovaj grebenasti prekidač 0-1 3x10A MT 019 256 din.
http://www.maktrade.rs/maktrade/sr/grebenasti.htm
Inače motor bi koristio za tračni brusilicu (kružna šmirgla) i šmirglao bi sitne drvene predmete.
Da li je dovoljan samo grebenasti prekidač ili treba i sklopka kako reče "peradetlic". I da znači NULU (plavu žicu ne vezujem nigde da je umrtvim) ako sam dobro razumeo.
Znam da bi majstor sve to bolje od mene, ali znate onu draž DA SAM URADIM.
Može i taj grebenjak ako je u kućištu, sklopka tj zaštita od preopterećenja nije obavezna ona čuva motor ukoliko se preoptereti da ne izgore namotaji što se može desiti kod mehaničkog preopterećanja ali i kod gubitka jedne faze u napajanju iz bilo kog razloga. Nulu tj plavu žilu u ovom slučaju ne vezuješ nigde. Vodi računa kod vezivanja da cela žica ode pod šraf da kontakti budu dobri da tu ne dođe do pregrevanja. Ako koristiš licnasti provodnik najbolje bi bilo da postaviš papučice sa okcima kod vezivanja kabla na klembert.
Naj jeftinija i najbolja varijanta ti je da motor pustas u rad preko DM 4-6A sklopke. Mani se grebenjaka, posto neces imati nikakvu zastitu za motor. DM ima bimetalnu zastitu tako da ce sacuvati motor od eventualnog preopterecenja.
baš tako kako đura veli tako je i kod mene na cirkularu
Povezao sam motor po uputima i sve je proradilo ok, puno vam hvala na pomoći, sutra kupujem i DM sklopku i to je to.
Al sad me muči drugo pitanje ustvari dva.
1. da li postoji mogućnost da motor postepeno ubrzava do svog maksimalnog broja obrtaja, u mom slučaju 1400 o/min.
2. da li postoji mogućnost da se pomoću nekog preklopnika bira broj obrtaja na primer da se vrti upola svoje brzine i na svom maximumu.
smanjivanje obrtaja radiš šajbnama
smanjuješ prenos
pisano je o tome na forumu nedavno ima i aparat za to ali nije preporučljivo
http://www.samsvojmajstor.com/Forums/viewtopic/t=7485/view=previous.html
Da i to sa frekvetnim regulatorom. Samo ta bi te akrobacija kostala oko 310 eura +PDV. Ako zatreba javi.
Da, slažem se sa ''balkanskim špijunom''. Pošto je u pitanju asinhroni motor brzina se može menjati ili promenom broja pari polova (u tvom slučaju neizvodljivo) ili promenom frekvencije, a to ti je skuplje od tog motorića.
Pozdrav, nabavio sam ovaj elektromotor, samo sto mi je potrebna pomoc oko povezivanja, Ukoliko bi neko mogao da mi pomogne bio bih mu jako zahvalan. Nije povezan ni kondenzator, a kada kada ga ukljucim u struju, samo zuji.
Hvala unapred. Stavljam i par slika
Inace shema je
Z V Y
U X W
po pločici to je monofazni motor i treba mu kondenzator, dedadule će to bolje da ti objasni samo da vidi post
Ja bih da vi pogledate ovaj video i verujem daće biti sve jasnije!
Pozdrav svima, imam mali elektromotor Elprom Teteven, radi na 220V, 25W. Iz elektromotora izlaze tri žice(crna, bela i plava) + masa. Zanima me kako da povežem i izmedju koje dve ide kondenzator? Hvala unapred
Nula se nikad ne dovodi na trofazni motor,Osim ako se spaja kao monofazni.
Vidiš li da su samo tri žice u kutiji,znači da je neko već napravio spoj u motoru tako da treba samo dovesti tri faze na te tri vidljive žice i naravno uzemljenje na kućište.I upamti da za spajanje trofaznog motora ne treba nula osim ako se spaja na jednofaznu mrežu. Ovo se odnosi na motor na vrhu posta.
Ne znam zašto mi odgovor ne bude ispod teksta na koji dajem odgovor .
Može li mi neko reći gdje mogu obrisati moje komentare jer nisu tamo gdje trebaju biti.
zoran nije dobro pročitao pitanje pa je napisao svašta.Voleo bih da slikate taj motor.
Moja greška nisam napisao komentar tamo gdje sam trebao.
Vidite kad je covek postavio pitanje
Moje postovanje svim forumasima.
Imam problem oko povezivanje jednog elektromotora, nisam sguran kao treba povezati.
Motor ima sledece karakteristike
11A
2KS
220V
0.85 cosF
2840 o\min
P.S.
U prilozima sam postavio par slika.
Shema
Pozdrav svima, potrebna mi je pomoc oko povezivanja jednog elektromotora. U pitanju je elektromotor Rade Koncar 380V 1,2A
0.37 kW 1420 °/min 50 Hz. Inace sam laik i treba mi pomoc kako i na koju struju treba da ga povezem, posto inace motor ima samo tri izvoda u razvodnoj kutiji koja nisu obelezena nikakvom oznakom niti slovom. Pokusavali smo da ga povezemo na monofaznu struju ali motor samo zuji. Ako je neko imao iskustva ili zna o cemu se radi neka pise, sve bi mi bilo od velike koristi.
Unapred hvala!
Пише на тој плочици да је то мотор за трофазни напон. На сваки од тих извода треба довести по једну фазу, а ако је смер ротације ротора неодговарајући треба заменити места две фазе.
Обратити пажњу да ли је веза у звезди или троугу. Видети приложену слику.
Hvala na odgovoru, u pitanju je veza u trouglu, ali mi nije jasno posto nisam ovo nikad povezivao i otvarao, gde treba da se poveze tu nula i uzemljenje, posto ima samo ta tri izvoda koja su rasporedjena u trogao.
Unapred hvala!
Код трофазних мотора нула се не користи, а заштитно уземљење се повезује на кућиште електромотора, обично је означено место за везу унутар те кутије.
Hvala još jednom!
samo dovedi fazu na svakiu žicu i na kućište spoji uzemljenje.
Faze moraju biti sa faznim pomakom ,znači ako imaš jednofazni priključak nemoj jednu te istu fazu dovesti na te tri žice jer neće raditi.Radit će samo ako imaš trofazni priključak.

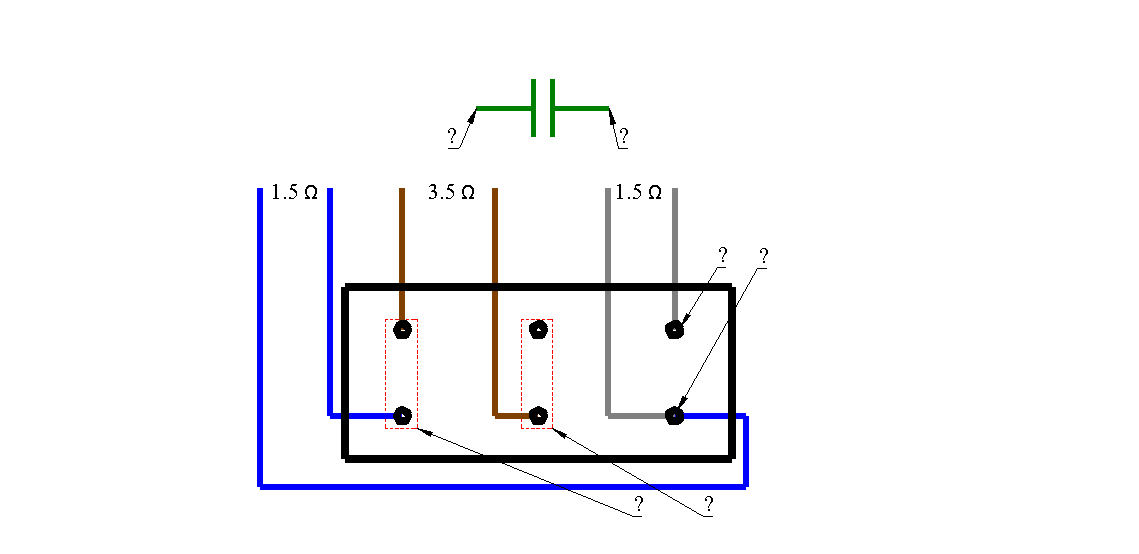
Motor je trofazni sa namotajima vezanim u zvezdu. Tamo gde su ti tri žice od motroa tu dovodiš tri faze od napajanja (crna ili braon žila iz naponog kabla), a na deo koji je kratko spojen pločicama dovodiš nulu plava žila iz kabla. Na kućište motora poveži uzemljenje to je žuto-zelena žila iz kabla. Svo povezivanje bi trebao da izvedeš preko prekidača kojim ćeš uključivati-isključivati motor naravno prekidanjem faznih provodnika. Za ovu snagu dovoljan ti je presek kabla PP00-Y 5x2.5mm2 možeš koristiti i onaj sa gumenom izolacijom.