Hvala puno Laki64 na informacijama, mislim da ce mi ovaj model vrsiti posla,onaj drugi je neki novi model iste performanse samo ima laser i led svetlo i je duplo skuplji.Napisacu za prvo radno iskustvo.Pozdrav
Einhell
Djuma kada zavrsim zadnju seriju od tikovine (na slici gore) dobices jedan ram ,ali moramo da odemo na pice u silikonsku dolinu i da pricamo o einhell alatima da nam ne obrisu ovu poruku :hh :hh :hh :hh Pozdrav laki
Naravno, pa kako drugacije, najbolji razgovori o alatu se vode u silikonskoj dolini, sve sami eminentni strucnjaci dolaze :hh :hh :hh
Pozdrav i sve pohvale. Bila bih vam zahvalna kad bi mi neko rekao koliko kostaju te modelarske testere i gde u BG-u mogu da se kupe.
Hvala Laki64
браво лаки :+ .управо си показао да није све само до алата него и руку и мајсторије :dacne џаба профи алат оном ко нема шлифа и маште за мајсторију :tup
imam nekoliko pitanja .
1 ..Da li je neko imao iskustva sa POWERPLUS alatom hocu da kupim zavijač i odvijač šrafova sa baterijom
2 .trgovac u uradi sam me ubeđuje da bušilica koja ima podešavanje broja obrtaja može da se koristi i kao odvijač /zavijač ?
3. da li postoje razičiti gabariti alata da bih mogao da priđem nekim
uglovima nameštaja odnosno da šraf bude bliži ivici
4 izbrisano :roll:
5 . ima B&D Izvijač 12V 0-750 obrt/min prihvat 10 mm 2 god garancija ali 4000. Malo mi je skup jel mi te stvari trebaju ponekad
1. Powerlus, Einhell, Alpha Tools, Womax ... Sve je to isto. Bukvalno.
2. Bušilica koja ima podešavanje broja obrtaja, u nekim situacijama (zahtevima) može da se koristi kao odvijač/zavijač. U nekim ne. Uz to je i relativno teška, a i kabl je ograničavajući faktor.
3. Postoje, ali ne zaboravi: manji gabariti alata podrazumevaju znatno manju bateriju i znatno manje snage.
4. B&D nije kineski i bolji je od powerplus. Odluku o kupovini moraš sam da doneseš. Niko na forumu ti ne može odgovoriti da li će tebi nekad zatrebati "te stvari". (Osim ako na forumu ne učestvuje i neko tvoj)
JA imam iskustva sa powerplus alatom tj. srafilicom 30610 iz plave serije.Kupljena je 2005 i placena oko 30e.Cim sam je doneo kuci video sam koje je to golo g...o!!!!!
To s...e nije u stanju da probusi i usrafi 50 srafova.Stojala je u koferu i sad se moj klinac od 2 godine igra sa njom.
Moj ti je savet da bezis od nje glavom bez obzira iako pise da je Made in Belgium.
Njihova zuta serija se vodi kao profi klasa( otprilike i toliko kosta) mada se ja sa tom konstatacijom ne bi slozio.Imam njihovu keksaricu i nije losa.
Sto se B&D tice to nije puno para za hobi srafilicu mada bi ja na tvom mestu sacekao,skupio vise para i kupio nesto kvalitetno.Znam da ce me dezurni dusebriznici napasti zbog ove konstatacije ali jeftin alat na kraju uvek ispadne skuplji od onog skupog.(tu ne racunam zivce i izgubljeno vreme)
Pravu profi srafilicu sa 2 baterije i bat.lampom i 3 god garancije mozes da kupis za otprilike 2.5 B&D i sluzice te dok si ziv.
To su saveti a ti vidi sta ces
Ako je za hobi upotrebu onda uzmi bolje na 220V , nemora da bude bas bezicno
jer ovim jeftinim brzo propada baterija
pozdrav
Marko
JA imam iskustva sa powerplus alatom tj. srafilicom 30610 iz plave serije.Kupljena je 2005 i placena oko 30e.Cim sam je doneo kuci video sam koje je to golo g...o!!!!!
To s...e nije u stanju da probusi i usrafi 50 srafova.Stojala je u koferu i sad se moj klinac od 2 godine igra sa njom.
Hvala ti puno bas sam plavu seriju i video.Samo mi reci jel zbog baterije nije mogla da ušrafi 50 šrafova kratko traje baterija ili nema snagu ili se pokvarila
Ako je za hobi upotrebu onda uzmi bolje na 220V , nemora da bude bas bezicnojer ovim jeftinim brzo propada baterija
pozdrav
Marko
ima odvijač na mrežu nisam to znao
herc wrote:JA imam iskustva sa powerplus alatom tj. srafilicom 30610 iz plave serije.Kupljena je 2005 i placena oko 30e.Cim sam je doneo kuci video sam koje je to golo g...o!!!!!
To s...e nije u stanju da probusi i usrafi 50 srafova.Stojala je u koferu i sad se moj klinac od 2 godine igra sa njom.
Hvala ti puno bas sam plavu seriju i video.Samo mi reci jel zbog baterije nije mogla da ušrafi 50 šrafova kratko traje baterija ili nema snagu ili se pokvarila
Radi ona i danas.(klinac se igra sa njom)Baterija joj nema snagu(nije imala ni prvi dan) a da ima verovatno bi crkla jer su unutra plasticne biksne a ne lezajevi i kad se malo jace optereti odma se lome.
Bezi od tog alata "ko djavo od krsta" to ti je moj savet.Nemoj da se ucis na svojim greskama vec na tudjim.
Ljudi 90% alata koji se prodaje kod nas je proizvedeno u Kini.
Ja sam kupio Iskrinu akumulatorsku busilicu i platio je 64eura, naravno odlicno me sluzi da bih posle skoro godinu dana nasao slucajno u dokumentaciji da je proizvedena u Kini. Takodje imam cirkular i ubodnu pilu B&D Kineska proizvodnja, odlicne su.
Svaki alat je dobar ako se strucno i pazljivo koristi.
Evo nekoliko prodavnica i telefona pa se raspitaj:
Nid sistem Zagrebacka 4 tel 2627 532
Ferms buvljak tezga 107 tel 064 1711 062
Termodom Karadjordjeva 2 tel 2633 242
Flexima vojvodjanska 386 tel 2261 182
Sve ovo pise na Einhell katalogu od prosle godine i nadam se da su adrese i telefoni jos aktuelni.Pozdrav laki
KOLIKO ja znam FERMS ima najbolje cene i sa njima uvek mozete da se dogovorite.
A onaj diht abrihter?
Oko 70000din
Ja imam komplet enhelovih alata vec 8 godina ! svi rade i zadovaljavaju moje potrebe
Einhell je stvarno odlican alat. Samo redovno odrzavanje, podmazivanje i pravilno rukovanje i ima da radi 100 godinica . Najbolji je od svakog alata iste i slicne sene. Mnogo je bolji i od zelenog bosa a duplo jetiniji
Dal je moguce da vise niko nema einhell?
Zna li neko kako da povezem prekidac na gradjevinskoj dizalici shz 600? Kupio sam novi ali nisam ja menjao, a nece da radi pravilno.
Sta znaci nece da radi pravilno? Ako je trofazni motor moras paziti na raspored faza pri montazi prekidaca,da bi radila kako treba.
Motor je monofazni. Nasao sam kod kolege slican pa sam prevezao i radi kako treba. Hvala.
Izgleda da više nema da se kupi Einhell. Sad ima neki "Bavaria - by Einhell", ali nema sličnosti sa alatima sa Einhelovog sajta.
Ispravka:
Ipak ima u Zemunu, crveni Einhell, i cena mu je kao zeleni bosch.
Ima da se kupi samo si dobro primetio dasu znatno podigli cene .
Купио сам пре неки дан најновију црвену Еинхел-ову аку бушилицу са Ли-Ион батеријама на 18В. Овде је неко написао да има негативна искуства са истом због батерија и неадекватне индикације. До сада сам бушио рупе на металној конструкцији (кутијама) и лиму како бих занитовао лим за кутије и оно ради без икаквих проблема. Ставка је да батерија НЕ СМЕ до краја да се испразни, већ се прати индикатор и када остане само једна лампица (рецка) онда се допуни до краја, дакле ово пише у упутству. Можда је то била недоумица око "неадекванте" индикације. А што се тиче пуњача, на њему се не види нигде колико је "остало" у батерији, већ само блинка једна диода, тако да ми није опет јасно како је незадовољни корисник видео на пуњачу колико је остало од батерије (за време пуњења диоде на батерији светле једна за другом, као пливајуће светло)
Мени ради скроз ОК, пробао сам да завијам и шрафове од 5-6 цм у чамове штафле, и то ради без проблема (нисам претходно бушио рупе, већ одма шраф у дрво). По мени је ово скроз ОК алат.
Propale su mi biksne na ovoj masinki Einhell BM 710 pa me zanima dali ima gde da se kupe nove ili da obidjem strugare da mi naprave?

BITE HILFE??? Ovo mi se dugo nije desilo... 
Nabavio sam jedan divan polovan cirkularčić za smešne pare od kolege koji je kupio profi mašinu, pa mu je ova zauzimala samo prostor u radionici, zato sam je i dobio ovako jeftino.
Elem seckao sam ja dosta sa njom da je isprobam, što je radila sasvim zadovoljavajuće, ali mi đavo nije dao mira, pa reko malko da je "osvežim" pošto je uzeta polovna, jelte... Rasturio sam je u sačinitelje, rasturio motor, zamenio ležajeve, ošmirglao (očistio) kolektor, zamenio četkice, sastavio (skoro) sve nazad, podmazao i utegao sve i sad je kao devojka
! Elem...
Kad sam hteo da namontiram prekidač za uključivanje imam šta da vidim...
Pošto sam popravio tonu raznoraznih alata, OBAVEZNO prilikom rasturanja obeležim šta gde ide, ovog puta sam to uradio markerom na buksnama (imaju plasičnu zaštitu, pa sam na njoj napisao od 1 do 6), međutim pošto mi je svaki deo deset puta prošao kroz ruke, oznake su se sasvim umrljale, i više nemam pojma koja buksna gde ide!
Nema problema, mislim se, sad ćemo mi to "dedukcijom moj Votsone"... Oćeš vraga... Od motora u kablu idu 4 (ČETIRI) proklete žice! :'( Faza, nula, uzemljenje i... đavo bi ga znao šta će im ova četvrta na cirkularu... Monofazni jeftini motor sa četkicama, nema logike da bude startni navoj... Da nije indukciona kočnica???
Dumao sam tako i guglao dosta vremena, ali ne mogu ništa sa sigurnošću da zaključim.
A ne bih da idem na rešenje tipa "probaj pa šta bude" jer ne bih da ubijem motor, on je jedino što bih mogao da iskoristim kad budem rešio da od tog cirkulara recimo napravim neku drugu mašinicu.
Najsigurnije mi je ovde da pitam.
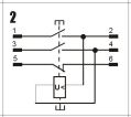
Cirkular je EINHELL RT-TS 1725U, prekidač je magnetni KJD12-14 sa 6 kontakata sa kojima situacija proverena bez napona stoji ovako: 1-2 odvojeni, 3-4 odvojeni, 5-6 spojeni. Imeđu 2 i 4 otpor 50K oma, tako da pretpostavljam da je tu "napajanje" (signal) kalema releja. Kad se pritisne start (dugme "1") takođe bez napona jer nisam ništa priključivao, situacija je sledeća: 1-2 spojeni,
3-4 spojeni, 5-6 odvojeni.
Link za PDF prikaz prekidača je:
http://www.kedu.cn/PDF/4/p19-p20(kjd12-14).pdf
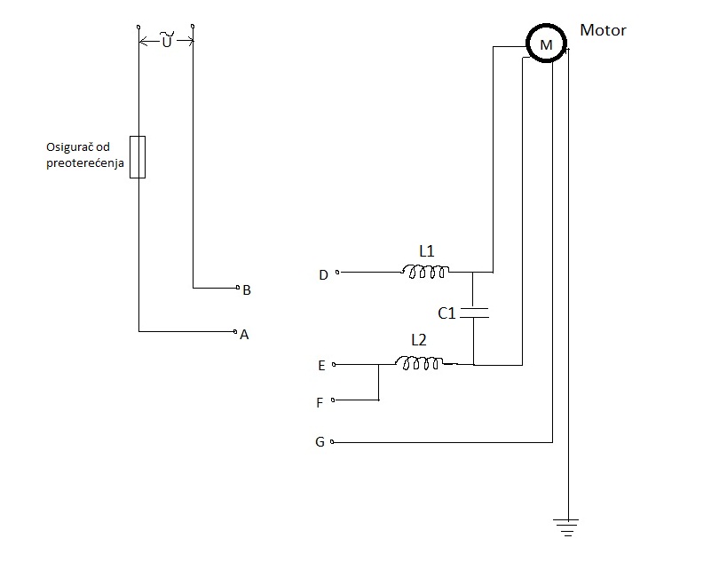
A moja mazarija u paint-u koja bi trebala da predstavlja situaciju sa žicama je na prikačenoj slici. L1 i L2 su namotaji na samom provodniku pre buksne, kroz koje je provučeno parče gvožđa, a C1 je kondenzator (mada ne vidim važnost njegovihkarakteristika u ovom slučaju, ali znam da je pomoć na daljinu "nemoguća misija" ukoliko nisi BOLESNO detljan u opisu problema i situacije) 0,33uF
K X2 MEXGPF 40/085/21/C
250V~ / 275V~
Ono što bi meni bilo najjednostavnije je da mi neko od majstora po slici koju sam dodao kaže recimo: na kontakt 1 ide žica A, na kontakt 3 žica B... itd... Znate na šta mislim ... 
Za one koje mrzi da čekaju da se učita .pdf sa linka "uslikao sam najbitnije odatle....
Link radi samo ako ga celog iskopirate (ne samo plavi deo, već kompletan link) i nalepite kao adresu u pretraživaču. Ko korist gugl hrom, obeležite ceo link, desni klik pa "go to http:\ ... itd"
Nakon iscrpnog dumanja, došao sam do sledeće pretpostavke:
Žica A ide na pol 1, žica D ide na pol 2, žica B ide na pol 3, žica E ide na pol 4, žica G ide na pol 5 a žica F ide na pol 6.
Ako sam pogodio, javiću, ako nisam, onda neću imati sa čeka da javim jer će ova stara instalacija da pogori u predivnom displeju plavih i ljubičastih varnica ukoliko sam omanuo.
Poslednja šansa da neko pomogne i spreči da ognjište postane "stratište i žarište"...
Duže od 10 godina lepo me je služila moja Einhell PKS 1840 električna lančana testera. Zadnji kvar ne mogu da rašim, jer zupčanik sa slika koje prilažem nigde ne mogu da nabavim. Molim za pomoć.
Sve starije mašine su jako nezgodne za delove, a posebno hobi mašine, dok sam za neke profi (Bosch konkretno) dok sam radio u prodavnici alata mogao da poručim delove za mašine koje su prestale da se proizvode još pre hrista... Elem, da probam vama da pomognem: pošto se dosta alata danas proizvodi u istim fabrikama za različite marke, ili su kopije kvalitetnijih, da li ste probali u ovlašćenom servisu za neku drugu marku. Da budem iskren, taj rojal mi izgleda kao pljunuta kopija starijeg modela Black&Decker električne testere, pa da probate u njihovom servisu?
Razmisljam da kupim ovu aku srafilicu, za oko 80 eura, nova, sa garancijom. Sta mislite, je li dobra kupovina?
http://products.einhell.com/com_en/tools/cordless-screwdriver/rt-cd-14-4...

Pozdrav svima
hteo bi da kupim Eihelove pile za izrezivanje (scroll saw) ali se mislim medju einhell ndk 120l (portokalova) ili einhell dks 405\1e (plava) ima li neko bilo kakvo iskustvo sa njima, dali se moze s njima izvoditi precizni radovi na medijapanu.Pozz