nek vrsta španera koja manualno odvaja lanac od lančanika i posle vraća kad dođe struja
Klizne kapije
Da li ima neko ko ugradjuje motore za kliznu kapiju u okolini Lazarevca? Motor vec imam (Roger Italijanski ).
Hvala
Pozdrav! Trebala bi mi pomoc, u nedoumici sam koji motor za kliznu kapiju da uzmem. Planiram da uzmem Hormann, ali vidim da postoje motori koji su skoro duplo jeftniji, pa ne znam da li je Hormann toliko kvalitetniji. Da li je to najkvalitetniji motor na trzistu? Kapija nece biti teza od 150 kg. Takodje, gde bih mogao da kupim grejace za sinu?
Hormann jeste kvalitet, nemački proizvođač, najpoznatiji, ali tu se malo plaća i kvalitet, ali se plaća i ime.
Na tržištu postoje i drugi motori, uglavnom italijanski. Ali i to je mačka u džaku, jer se dobar deo reklamira kao italijanski, ali samo je firma iz Italije, ostalo se sklapa u Kini.
Ima skupih italijanskih koji odlično rade, ima srednja klasa, ima jeftina klasa. Cena govori o kvalitetu, kao i kod svih proizvoda.
Čim ste gledali Hormann, tražite kvalitet, pa bi bilo ok da pogledate i Roger Technology, Cardin, Came...oni su recimo ta visoka klasa kod Italijana. Life je neka srednja. Ima i jeftinih, ali oni ili rade ili ne rade. Nisu pouzdani.
Savet, vodite računa od koga kupujete. Nemojte od fizičkih lica koja preprodaju robu koju su kupili ko zna gde, nekog ko ne daje garanciju, nema rezervnu opremu i delove. Tražite ovlašćene prodavce, servise.
Što se tiče šine, mi nikad nismo postavljali grejače, jer nije bilo potrebe. To malo nega i tek leda je kapija uvek lepo gurala. E sad kad padne pola metra snega, treba očistiti i letve i šinu, i zupčanik motora.
Ali možda da vidite u Elmark Doo, oni imaju grejace za spolja, mozda to moze i u šinu
Pre par dana, nenadano, dobio sam aluminijumske gelendere koje je komsija skinuo sa terasa koje uklanja sa kuće (vrši doziđivanje na tom zidu). Ima ukupno 12m ograde. E sad, iskoristio bih tu ogradu kod mene (10.5m ograde sa kapijom). Ono sto me intetesuje je kako deo te ograde preraditi da bude kapija (klizeća) tj da li je moguće dodati na stubove dodati jos jednu cev na kojoj bi bili točkovi. Ukoliko se dodaje, da li se šrafi, vari, dofarbava i sl?
Mrate da priložite neku fotografiju kako to sve izgleda. Ovako napamet niko ne može da vam da koristan ssavet.
Pre par dana, nenadano, dobio sam aluminijumske gelendere koje je komsija skinuo sa terasa koje uklanja sa kuće (vrši doziđivanje na tom zidu). Ima ukupno 12m ograde. E sad, iskoristio bih tu ogradu kod mene (10.5m ograde sa kapijom). Ono sto me intetesuje je kako deo te ograde preraditi da bude kapija (klizeća) tj da li je moguće dodati na stubove dodati jos jednu cev na kojoj bi bili točkovi. Ukoliko se dodaje, da li se šrafi, vari, dofarbava i sl?
Jel ima neko savet, koje stubove uzeti, metalne?
Kapija raspon 3,5m visina 2m.
10x10cm debljina 3mm ..jel to ok?
Kakav temelj za njih da kopam?
Temelj kopate kao prostu gredu i tako ga armirate . Stubovi su više estetika jer samo prdrzavaju kapiiju , tako je to ok . Ako biste radili kliznu konzolnu kapiju to bi bilo već sasvim drugačije .

Elektronika je gotova, ceka se lepse vreme za varenje kapije....
Samo mi je jos uvek problem kako da uradim manuelno otvaranje kapije kada nema struje, mislio sam izmislim nesto sto bi odvojilo lanac od zupcanika... ima li neko neku drugu ideju???
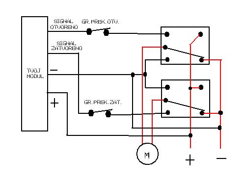
Evo i slicica i videa kako to radi, motor brisaca je od Lade Samare, trafo je iz UPS-a, gura bez problema, i sema sa foruma po kojoj sam sve vezao i radi iz prve bez problema.
Stavljene redne kleme za prikljucivanje krajnih prekidaca kao i IR prekidaca koji je u medjuvremenu stigao iz kine
https://youtu.be/5Wl3ik6Re30