Pozdrav svima.
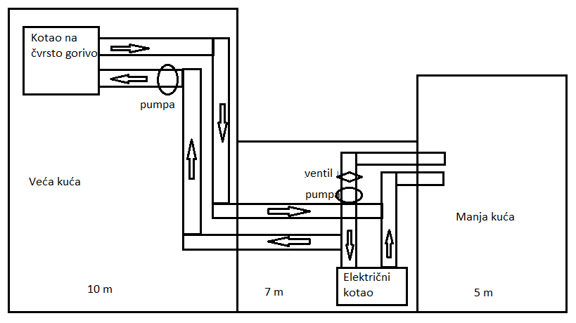
Imam problem sa centralnim grejanjem. U dvorištu imam dve kuće. Do prošle godine imao sam dva nezavisna grejanja. U većoj je grejanje sa kotlom na čvrsto gorivo, a u manjoj električni kotao i to je normalno radilo . Prošle godine povezao sam obe kuće i grejao kotlom na čvrsto gorivo obe kuće  bez problema. Sada sam probao da sa električnim kotlom grejem obe kuće ili samo veću kuću i tu je nastao problem. Prvo sam probao isto kao kada sam grejao obe kuće sa kotlom na čvrsto gorivo, znači rade obe pumpe i električni kotao, ali električni kotao greje samo manju kuću, kao i pre, a do veće kuće ne dolazi topla voda. Probao sam razne varijante. Da isključim pumpu kod kotla na čvrsto gorivo i da otvorim bajpas (da eleminišem pumpu kod kotla na čvrsto grejanje), a da radi samo pumpa na elektro kotlu, da zatvorim ventil prema manjoj kući, da isključim pumpu kod elektro kotla, a da radi pumpa kod kotla sa čvrstim gorivom, da zatvorim ventil prem manjoj kući, a da radi samo pumpa kod elekro kotla i ništa.
Sistem je potpuno odzračen, pritisak normalam na oba manometra, pumpe su AMD u trećoj brzini (100 W).
Da li neko može da mi pomogne da rešim ovaj problem?
U prilogu skica grejanja.

Pozdrav, skica je malo stura. Vise bi pomogla neka fotografija.