Nesto drugo mene muci..
Sta cemo sa tom fabrickom maksimalnom snagom?
Oni ga prodaju kao kotao snage 8-25kW..
A micky kaze da je naveo fabricke parametre !?
Grejanje na pelet
Upravo to i meni nije jasno , prevelika je razlika izmedju dobijenih 16 kw i 25 kw koliko treba
Upravo to i meni nije jasno , prevelika je razlika izmedju dobijenih 16 kw i 25 kw koliko treba
Sad sam pogledao specifikaciju, u njoj pise maksimalna potrosnja 5kg što kad pomnozimo sa kalorijom peleta od 5kW/h (što nije nemoguće da on takav pelet i dobije) dobijemo 25kW i to je u redu. Ovo što se tiče fabričkih parametara je još jedan dokaz koliko naši proizvodjači (serviseri) nemaju veze sa onim što rade. Uštrojili su ga (iz iskustva) jer većina koja je kupila ovaj kotao kupila ga je za 100m2. Sa njegovih 25kW na 100m2 on ne može da radi. Manji ne proizvode i eto zašto je to tako.
Pritom, računali su i na slabiji kvalitet peleta kod nas pa i to dodatno smanji snagu tako da se kod tih korisnika on manje pali i gasi dnevno (oko 20 puta).

Ako ti trebaju 25kW, napisao sam ti, doziranje 8,9 sekunde za tu snagu (kvalitet peleta 4.5kW/h). Pusti zver da divlja makar sada kada su niske spoljne temperature da vidiš kako sagoreva. Opet će kratko raditi ali ti je sad šansa, kad otopli - šanse nema.
Tacno je tako kao sto kazes , po specifikacija minimalna potrosnja je 1,6 kg/h sto odgovara minimalnoj snazi kotla od 8kw ako racunaju toplotnu moc peleta od 5kw/kg
Ali sa doziranjem od 1,5 sek i intervalom od 13 sek dobija se 4,5 kw sto je opet manje od njegove minimalne snage
Tacno je tako kao sto kazes , po specifikacija minimalna potrosnja je 1,6 kg/h sto odgovara minimalnoj snazi kotla od 8kw ako racunaju toplotnu moc peleta od 5kw/kg
Ali sa doziranjem od 1,5 sek i intervalom od 13 sek dobija se 4,5 kw sto je opet manje od njegove minimalne snage
Objasnio sam ti zasto je to tako. Da su stavili doziranje za 5. snagu 9 sekunde, kotao ne bi mogao da radi na 100m2 grejanog prostora. "Uštrojili" su ga ali i izgubili maksimalno iskorišćenje (za šta ih zabole, važno da se korisnik ne žali). Ako se požali na preveliku potrošnju dobije odgovor da je loš pelet i gotovo. 
Koliki prostor greješ ovim kotlom?
80 m2 kuca bez izolacije , imam i radionicu od 40 m2 ali tamo sam zatvorio termo glave jer jer je i ovako prilicna potrosnja .... Od nove godine do danas grejem samo kucu 24h i potrosnja mi je oko 3 dzaka dnevno
Da, pretpostavio sam. Potrošnja je velika jer nemaš izolaciju ali i zbog jakog kotla. I tih 16kW ti je mnogo (iako nemaš izolaciju) čak i na -20c spoljne temperature. Koliko puta dnevno startuje kotao kada su temperature oko 7-8c u plusu? Pretpostavljam da nemaš bafer ili sam nešto propustio?
Svrha teme koju sam pokrenuo je jer mi nisu nikako bila jasna fabricka podesavanja,
Parametri nisu vise fabricki , snagu kotla sam ogranicio na 15 kw (8-15kw)...Evo trenutno sada mi kotao radi na snazi 1 odnosno 8kw ...
Bafer nemam ali sam siguran sto posto da ce mi trebati jer u planu je ove godine izolacja kuce stiroporom
Imam 4k mesni ventil, temperatura u kotlu 80*, ka radijatorima 53 trenutna, u kuci 22,5*
Jasno k'o dan.
Izgleda da 90% ljudi promašilo kotao.
Бојим се да је проценат већи... И ја сам међу њима, хтео сам да купим најмањи који се могао наћи код нас (и он би био јак за мене) Термомонт Toby 12b (он је по спецификацији 13.1кв). Онда се појавио овај мој, 14б, и он по спецификацији има 13.1кв али може горе још доста. И шта ја сада да радим са њим без бафера? Минимална снага по проспекту му је 3.6кв (нема шансе да на толико ради, фабрички га увек гурају преко 5кв) а ја толико трошим на овим температурама.
И ја сам међу онима који су купили већи котао него што треба а купио сам најслабији на тржишту, нисам могао мањи (наравно, још неколико ствари су пресудиле: величина резервоара за пелет, димензије, да буде домаћи и подршка произвођача... Код овог последњег сам се зај... до коске.
Али сам у старту рачунао и на бафер, био је у плану и пре одабира котла.
Ма ништа страшно, ако је за утеху, за добро изоловану кућу до 200м2 не може а да се не предимензионише котао. Добро је ако се мало погреши па мање се баца у ветар, није добро када је јачина котла x3 од максималне потребне... Ту почиње драматургија. 
Само бафер, и код пелета и код дрва, треба да буде обавезан! Као и 2x3k, две пумпе, актуатор, контролер... Све то сабереш и кажеш домаћину - 300.000 дин за котларницу и још толико за изолацију". А не " Имаш котао на пелет од 120.000дин, џабе". Џабе тад али после - куку леле.
Е да не заборавим (давно желим да напишем), не желим да изгледа као оглас, није ми то намера. Ако неко тако помисли - онда поклањам. Остао ми је Есбе четворокраки вентил 3/4 и 6.3квс, користио сам га пар месеци па ако неко буде тражио (а код нас је скоро па немогуће наћи четворокраки мањи од цола и испод 10квс) - нека се јави. На себи има и редукције од цола тако да су потребни само, како их зову, полухолендери и готов посао. Рачунам да некоме помогнем на овај начин а не да се обогатим, да се разумемо. А ако је потребан већи и са већим протоком - то већ има у свакој продавници.
Nekad sam ovakve postove čitao sa prezirom i pitao se zašto ljudi lažu, prvo sebe pa onda sve ostale.
Sad sam se lično uvjerio i istina je samo jedna
Poslije nekih sitnih intervencija i korekcija na gorioniku grijanje sam ostavio da radi 24 sata sa toplim radijatorima 24 sata
Sobna podešena na 20,5 a dnevna 22,5°C
Prvih 24 sata potrošnja je bila 28,2 kg
Danas sam napravio presjek za zadnjih 86 ledenih sati (jutros -9)
Potrošeno, za mene nevjerovatnih, SAMO 90 kg koštice od višnje
Gorionik za to vrijeme startovao 19 puta
Samo pri potpali gorionik je 20-ak minuta radio na snazi oko 8 kw a sve ostalo na nižoj snazi
Temperatura u kotlu šeta između 65-77 a polaz ima dvije zadate 40 i 49°C
Danas kratka provjera i čišćenje ložišta ali radijatori to neće osjetiti
Uslov za ovakav rezultat je prilagođenost snage gorionika, kontrola sobne temperature i polaza a tek šta bi značila izolacija koja mi nije još kompletirana
Poštovane kolege po grejanju imam ABC Elegant 37kw, grejem površinu oko 190-200m2 sa novom stolarijom ali bez izolacije na zidovima, 11 radijatora sa termoglavama i 2 sušača. Temperatura sada 21,5stepen (i to jedva, predpostavljam zbog nedostatka izolacije) zadata temperatura vode u kotlu 60-65 zavisi od spoljne temperature, potrošnja oko 60 kg peleta za period grejanja od 07 do 22.30h, činimi se da je to malo jača potrošnja a tom mišljenju doprinose izuzetno kratki periodi modulacije 6 - 7min pa opet faza rada od 8-9min, podešen na auto režim ali ide samo 1, 2, 3 do modulacije.
Zanima me da li neko ima iskustva sa ovim kotlom, eventualno ako neko može da postavi parametre za dozer, ventilator i gasove pa da uporedim sa mojim (nisam siguran da li su ostavljeni fabrički ili je serviser prilikom pustanja u rad nešto podešavao), svakako je svako savet dobrodošao.
Unapred hvala
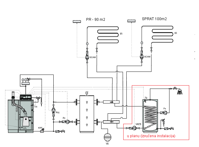
Postavljam šemu moje kotlarnice, instalirana je pre 9 godina. U planu je nadogradnja (bojler tople sanitarne vode).
Verujem i da sadašnji sistem može da se poboljša,
Na forumu ima dosta ljudi koji su u ovoj problematici sa ogromnim znanjem, voleo bih da dobijem savete,
- šta mogu zameniti/ promeniti na postoječem sistemu?
- šta bi se dobilo/izgubilo kojom izmenom?
Dušanmijate u prethodnim postovima si pisao ovako
07/01/21 22,17 8082
Nemam bafer a kotao radi punom snagom prva 2 sata.
Sve ostalo radi između 5-8 kw
Na ovim temperaturama imam 4-5 paljenja od 06-22 sata
15/01/21 20,40 8170
Sad nakon provjere mogu ovo argumentovano da napišem
Prešao sam na grijanje 24 sata ali i sa toplim radijatorima svih 24 sata
Noću ide polaz sniženo ali u kući ne pada ispod 20,5°C noću
Dnevna zadata 22,5°C
Juče popodne, iz znatiželje, sam skinuo gorionik, promijenio odnos primara i sekundara, postavio usmjerivače na sekundar, skratio komoru ispod rešetke......
Rezultat je:
Smanjenje ukupnog vazduha 6-10% po svim snagama, porast potpritiska u ložištu, smanjenje temperature dimnih plinova, ložište nije više onako bijelo jer 80% vremena gorionik je radio u 2 najniže snage, ali je i dalje boja dobra.
Za 16 sati rada gorionika potrošeno 18,5 kg koštice i 4 puta pauzirao
Za 24 sata potrošeno 28,2 kg koštice sa 5 pauza gorionika
Da napomenem, pauza gorionika ne utiče na regulaciju polaza i on je stabilan svih 24 sata
Pratim dalje i čekam jači minus za vikend
18/01/21 11,26 8192
Nekad sam ovakve postove čitao sa prezirom i pitao se zašto ljudi lažu, prvo sebe pa onda sve ostale.
Sad sam se lično uvjerio i istina je samo jedna
Poslije nekih sitnih intervencija i korekcija na gorioniku grijanje sam ostavio da radi 24 sata sa toplim radijatorima 24 sata
Sobna podešena na 20,5 a dnevna 22,5°C
Prvih 24 sata potrošnja je bila 28,2 kg
Danas sam napravio presjek za zadnjih 86 ledenih sati (jutros -9)
Potrošeno, za mene nevjerovatnih, SAMO 90 kg koštice od višnje
Gorionik za to vrijeme startovao 19 puta
Samo pri potpali gorionik je 20-ak minuta radio na snazi oko 8 kw a sve ostalo na nižoj snazi
Temperatura u kotlu šeta između 65-77 a polaz ima dvije zadate 40 i 49°C
Danas kratka provjera i čišćenje ložišta ali radijatori to neće osjetiti
Uslov za ovakav rezultat je prilagođenost snage gorionika, kontrola sobne temperature i polaza a tek šta bi značila izolacija koja mi nije još kompletirana
Imam dva pitanja.
Iz ovog tvog poslednjeg posta se vidi da si za 24 sati imao prosečnu potrošnju oko 25,1 kg pri čemu si prvog dana imao 28,2 kg a broj paljenja je zanemarljivo mporastao i to od 4-5 na prosečnih 5,3 na 24 sati. Kako tumačiš to smanjenje i drugo pitanje ako ti nije teško napiši grejnu površinu i kubikažu, snagu kotla i gorionika i druge karakteristike grejnog sistema (ili još bolje savi to nekako u potpis da bi mogao ovako iznete precizne podatke o potrošnji, sa tvoje strane, da upoređujemo sa tvojim sistemom).
Pozz
- šta mogu zameniti/ promeniti na postoječem sistemu?
- šta bi se dobilo/izgubilo kojom izmenom?
Ja bih tu izmenio nekoliko stvari,
- prvo, ne vidim regulaciju temperature povratne vode u kotao ali to i ne mora da bude problem, svejedno ja bih postavio trokraki termostatski ventil na povrat, a takođe tu ne vidim potrebu za dve cirkulacione pumpe u kotlovskom krugu, dovoljna je jedna
- drugo, slavinu za dopunu sistema bih prebacio na sabirnik sa druge strane bafera - nema rizika od naglog hlađenja kotla pri dopuni u bilo kom momentu, ovako kako je sad mora da se hladi kotao pre dopune
- ekspanziona posuda bi bolje bila da je povezana u kotlovski povratni vod (tamo gde je sad slavina za dopunu) ali i ovako nije kritično
Sve ovo bi verovatno zahtevalo neke korekcije - izmene u radu sadašnje kontrolne automatike ali to je svakako nužno i pri dodavnju bojlera sanitarne vode
dragan_ba wrote:
- šta mogu zameniti/ promeniti na postoječem sistemu?
- šta bi se dobilo/izgubilo kojom izmenom?
Ja bih tu izmenio nekoliko stvari,
- prvo, ne vidim regulaciju temperature povratne vode u kotao ali to i ne mora da bude problem, svejedno ja bih postavio trokraki termostatski ventil na povrat, a takođe tu ne vidim potrebu za dve cirkulacione pumpe u kotlovskom krugu, dovoljna je jedna
Princip rada ove dve pumpe
Nakon ciklusa paljenja gorionika, kotlo automatski upravlja recirkulacionom pumpom (Pric), pumpom (Pc), pumpom (VACS), pumpom (SCAM), prelazi u rad temperatura zadržavanjem pumpi zaustavljenih kako bi se izbeglo kondenzovanje kotla; kada se dostigne temperatura vode od 47 ° C, uključuje se pumpa Pric, kada se dostigne temperatura od 55 ° C, pokreće se Pc pumpa. Ovako je fabrički podešeno/preporučeno, nikad nisam menjao podešavanja tih temperatura. Ako si mislio na tu regulaciju povrata vode.
ostalo što si naveo u vezi položaja slavine i ekspanzivne, nije neki problem odraditi kad budem dorađivao kotlarnicu
Princip rada ove dve pumpe
Može i tako, doduše to je dosta skuplje rešenje nego sa trokrakim termostatskim ventilom ali kad je već tako napravljeno i radi nema potrebe dirati ga.
Sad se setih, ako je bojler velike zapremine onda u dolazni vod hladne vode između nepovratnog ventila i bojlera treba dodati i adekvatnu ekspanzionu posudu.
zika1
Evo ovako, razlika u potrošnji se pojavila zato što je prvog dana kotao startao iz hladnog stanja (do tad je radio 6:10-22:10)
Ostale dane kotao i sistem su bili uvijek topli
Grijem 70+70 m2 prizemlje+ sprat
Prizemlje visina 2,9 i grije se na 20-21° (radni prostor
Sprat visina 2,5 i grije se 20,5 noćna 22,5° dnevna
Izolacija urađena samo sa zapadne strane 10 cm stiropor
Kotao Majevica prerađen komplet
Gorionik ručno rađen i vodi ga Naturela elektronika, između ostalog.
Trenutno postavljene snage
900 gr./h- cca 4kw,
1350 gr./h-cca 6kw
1940 gr./h- cca 8,7kw
2600 gr./h- cca 11,6kw
https://youtu.be/KtAlbBz8NAU
Evo na ovom kanalu ima svašta nešto
Do sad sam se grijao gorionikom iz samogradnje na Viadrus u22 35kW kotlu. Međutim iako sve to funkcioniše odlučio sam da je toj avanturi došao kraj. Čišćenje je katastrofa kotao dugačak metar jako nepristupačan za očistiti, generalno sa gorionikom sam zadovoljan ali mislim da cijeli sistem nije dovoljno efikasan. Osjećam polako da sam postao rob svega toga pa sam se konačno odlučio za kupovinu kotla na pelet. Iako sam istraživao sve Bosanske kotlove izbor sa sveo na 2 kotla:
Thermoflux Pelling 35kW
Topling Eco top 33kW
E sad za Thermoflux sam čuo sve najbolje danas sam uživo vidio oba kotla jedan do drugog. Thermoflux robustan baš onakakv kakav kotao treba da bude dok Topling ima neka vinjava limena vrata (prednji panel) koja kad se otvore sva se izvijaju pa me je to malo odbilo u početku međutim to nikako nije eliminacioni faktor.
Istraživao sam oba kotla imaju identičnu elektroniku, Topling je gabaritno veći.
Topling ima 98l vode i iskorištenje od oko 94% i 2 godine garancije.
Thermoflux ima 90l i iskorištenje oko 91% i 5+1 godinu garancije.
Oba kotla imaju cjevni izmjenjivač toplote sa turbulatorima ali imam osjećaj da je kod Toplinga bolje izvedeno.
Naime kod Toplinga vatra gori u tunelu i tako direktno dira zidove kotla onda dim ide dole kroz turbulatore pa opet (na slici se vidi poklopac) gore i konačno u dimnjak.
Okačio sam sliku kako to izgleda kod Thermofluxa.
Čini mi se da je Topling jednostavniji za čišćenje što mi je velika stavka prilikom izbora kotla. Skeptičan sam iz razloga što vatra direkt dira zidove izmjenjivača ne znam koliko kotao može da traje u takvim uslovima.
Interesuje me da li neko ima Topling Eco Top i da li je zadovoljan sa tim kotlom?
I generalno me interesuje vaše mišljenje koji kotao ima bolje riješen izmjenjivač toplote.
Kod mene uglavnom hvale Termoflux, moj kotao je Tf 25 prva sezona je i radi odlično.
Realno Thermoflux je sigurica, ali me interesuje šta forumaši misle o ovom drugom kotlu. Iskreno mislim da je izmjenjivač toplote na Toplingu dobro zamišljen sad generalno o kvaliteti kotla ne znam ništa.
Ovde sam se "žalio" na visoku temp. dimnih gasova, 150 do 200 °C, a od pre par dana suprotan problem.
Toby 12, temp. dimnih gasova ne prelazi 60°C!
To znači da, ako je temp. vode + delta flame off veća od t dimnih gasova, kotao izbacuje poruku da nema goriva i ide u gašenje.
Isto tako neće da prebaci sa "raspaljivanje goriva" na "stabilizacija plamena" ako je t vode > od 60°C.
Pelet isti od početka sezone, turbulatori čisti, dimovodne cevi čiste, čak i sonda t. dimnih gasova nova.
Sve radilo par godina, sada problem.
Neko ideju šta dalje da pokušam?
Neko ideju šta dalje da pokušam?
Koja elektronika je u pitanju? Tač skrin ili stariji displej?
Jeste tač, zeleni displej. Stariji kotao sa 40L vode, Toby 12 B.
Jeste tač, zeleni displej. Stariji kotao sa 40L vode, Toby 12 B.
Uh, onda ne mogu da pomognem, sve je različito... Pogledaj ovu temu (od 50-60 strane), bilo je dosta reči o Toby kotlovima, ima dosta komentara, parametara... Postoji čak i tabela parametara kotlova korisnika, pogledaj da neki od parametara nisi pobrkao (ja sumnjam na to).
Pozdrav svim clanovima. Zelim da vas SVE pohvalim jer ovakvim diskusijama pomazete svim ljudima koji razmisljaju o "pelet sistemu grejanja" (ako tako mogu da ga nazovem).
Procitao sam forum i mogu da vam kazem da sam na kraju "zbunjen" 
Inace, ja sam amater i nepoznavalac ove tematike, tako da cu iz tog ugla i da postavim neka pitanja na koja, ako imate snage i volje, odgovorite.
Citajuci forum, shvatio sam da kako se isti razvijao tako su i napredovala pitanja, odnosno ulazilo se u "sitna crevca" sto je i smisao i zato pohvaljujem ovu temu.
(Bok te, i ja koji pojma nemam, naucio sam sta je 4-vorostruki, MV, AV..)
Ali ljudi
, ono sto mene interesuje (i moga komsu koji cita ovaj forum i mnoge druge) jesu jednostavne stvari, jednostavni odgovori...zakljuci...
Dobro je tamo neko napisao: "neki korisnici koji su se grejali na drva, prelaskom na pelet nije interesovalo sto trose 4-5 tona po sezoni. Toliko su trosili i drva (prema ekvivalentu) al sada nemaju obavezu oko unosenja-izosenja-cepanja-ciscenja... Odnosno,dobili su neki komfor i njima dosta..."
Pa upravo to i ja na neki nacin podrzavam! Zasto? Pa zato sto sam obican korisnik i potrebno mi je unapredjeni sistem koji ce me malo rasteretiti u odnosu na sistem grejanja koji imam sada. Da ne bude zabune, svaka cast ljudima koji su usli u brucu ove problematike, zahvaljujuci njima mi smo i naucili nesto u vezi peleta.
Posle ove uvodne reci (malo s brda-dola, oprostite..) hocu da dam podatak o objektu.
Znaci radi se o:
1. Kuci na sprat - podrum ispod cele kuce, prizemlje, 1. sprat i potkrovlje (potkrovlje nije zavrseno)
2. Grejna povrsina: prizemlje (72m²) i 1.sprat (72m²)
3. Trenutni sistem grejanja za navedeno prizemlje i sprat jeste 11 grejnih tela (2 susilnika i 9 panela) sa bakarnim cevima, jednom pumpom i izmenjivacem toplote od 70 l ugradjenom u kaljevu pec (120 kaljeva) koja se nalazi u prizemlju.
4. Kuca cela izolovana (5cm) sasolidnom drvenom stolarijom i sa izlovanim plocama izmedju prizemlja i sprata (kosuljica sa stirodurom 2 cm) i izmedju sprata i potkrovlja (kosuljica sa stirodurom 3 cm).
Pitanje:
(Ono sto mene, kao "obicnog korosnika" interesuje)
1. Sta mi preporucujete? Koji kotao (marka, snaga) i sta jos uz to? Znaci neki sitem koji nece biti preskup, koji ce trositi "normalno" (znaci ne ono extra usteda tipa 1,5t po sezoni .... ali brate ne i 6t za tih 140m²). Sistm koji ce zahtevati dnevni boravak u kotlarnici ne duze od 10 min, koji ce imati rezervoar koji obezbedjuje punjenje peletom jednom u nedelju dana (nisam cesto kuci a deca sitna), koji ima dobru mrezu servisera kad se javi problem da se ne ceka 5 dana. Znaci najbolja preporuka iz neke zlatne sredine.
Da napomenem da sam iz Vojvodine.
Ljudi, u kratkim crtama napisite vase misljenje...
Ovo sto sam ja pitao je size nekih pitanja koja interesuju jednu ciljnu grupu, jer ima nas puno ovakvih "obicnih korosnika" kojima bi odgovor na ova pitanja izuzetno pomoglo. Nas ne interesuje "nano tehnologija pelet sistema" - nas interesuje neka zlatna sredina ove price.
Jos jednom, VELIKO POSTOVANJE za ljude koji ovo bistre do najsitnijih detalja. Da nije njih, djavola bi mi bilo sta znali.
Ako neko ima volje i snage neka odgovori na ova pitanja. Ako ne, nista, bice jos jedan "predimenzionisani" kupac u nizu koji ce se uclaniti u klub
(ni prvi ni poslednji)
ZIVELI!!!
Pozdrav i dobrodošao.
"Neki sistem koji neće biti preskup".
Da te ne razočaram na prvu loptu ali svaki iole ozbiljan sistem tj. grejanje na pelet nama jeste preskup jer nam je standard takav kakav je. Sve ostalo što je sa cenom ok je i presuda da se za sezonu troši puno. Grejanje kuće (sa izolacijom) se ubraja u jednu od najvećih investicija u životu jednog domaćina pa ga tako treba i posmatrati. Imao sam priliku da se ljudi čude kako ozbiljno grejanje kuće košta 5-6000e a nije čudan "Passat" od 15.000e. 
Možda bi bilo pametnije da znamo šta za tebe nije preskupo pa da se onda savetujemo. Počinje se od najgoreg "golog" kotla sa cenom od 120.000 din pa naviše. Moja računica je: kotao oko 170-180.000 din, bafer oko 50.000, elektronika i automatika 50-60.000, radovi u kotlarnici jos 20-30.000 (možda i jače, zavisi od mnogo faktora)...
Dakle, kakve su želje i dubina džepa? 

Znaci matematika mi je dobra
Ja sam napravio i exel tabelu, ako ima zainteresovanih mogu postaviti mozda ce nekome pomoci u podesavanju
Na osnovu koliko puz izbaci za minut izracunava se automatski koliko je potrebno za svaku snagu sagorevanja