Koliko može da košta da ti dođe majstor i skine jedan članak i prekroji bočne strane? to sa pumpom i automatikom može i mislim da će koštati 200-300 EUR najmanje.Ne može majstor da ti naplati toliko za skidanje jednog članka a jedino time stvarno rešavaš problem.I ostaće ti jedan članak koji možeš i da prodaš ako hoćeš ima ljudi koji prošire kvadraturu pa bi im dobro došao ....
Možda ne bi bilo loše čak da sačekaš neki žešći minus pa da je pustiš da tutnji i onda vidiš kako se ponaša ...
samo da dodam naravno ako ne možeš količinom goriva da eliminišeš smolu i ako nije nešto drugo u pitanju nego predimenzionisan kotao ...
Ugradnja mjesajuceg ventila
Nikola zašto vam je razlika između potisa i povrata u kotlovskom krugu 0.9bar-a (toliki otpor kotao ne može da stvori) to je previše. Ovo mislim na slučaj sa snimka kada je uključena pumpa a ne na ovu sliku koju ste priložili na kojoj su svi ventili zatvoreni. Jedino što može toliko da guši cirkulaciju to je odvajač nečistoća. Da li ste ispirali sistem pre puštanja u rad? Otvorite i očistite odvajač nečistoća za početak pa da vidimo za ostalo...
Za početak kupih na Vaš predlog uzoh automatski elektro pogon za mešni ventil ali prodali su mi neki koji ne radi ništa, jes da sam tražio najeftiniji al nisam znao da ne radi ništa. Šta sad da radim sa njim? Da ga vratim ne mogu.
Koju pumpu da stavim u kotlovski krug? 32-6 mi je radijatorska i očigledno da je slaba? Mogu li neku jeftinu da stavim tipa Shimge ili HST ima da se nadju baš baš povoljno?
Ako si uzeo samo motorni pogon moraš još i elektroniku koja će da mu komanduje.
Pumpa nije slaba a za kotlovsku uzmi naj jeftiniju Kinesku,rade i one.
Drva koliko su suva?
Sta kažete dali je ovaj mesni vintil dobro povezan?
Delimba, nije dobro. Vi verovatno uopšte i nemate cirkulaciju u potrošačkom krugu. Ili ako je neki radijator u potrošačkom krugu jako blizu pa je kroz njega mali otpor u odnosu na hidraulički otpor kotla i mešnog ventila i voda samo kroz prvi radijator cirkuliše a u kotlovskom krugu neznatno ili neće uopšte. Kako god okretali četvorokraki mešni ventil tokovi nisu jednoznačni i nisu dobri... Jako je teško reći kako ovde izgledaju tokovi i kako sve ovo funkcioniše.
U čemu je razlika, jačina pumpe ili šta?
Šema povezivanja Vam nije dobra. Nije problem do pumpe, mada je preporuka da imate pumpe i u kotlovskom i u radijatorskom krugu...
Kakva veza!To samo Umetnik može da smisli!
Koliko može da košta da ti dođe majstor i skine jedan članak i prekroji bočne strane? to sa pumpom i automatikom može i mislim da će koštati 200-300 EUR najmanje.Ne može majstor da ti naplati toliko za skidanje jednog članka a jedino time stvarno rešavaš problem.I ostaće ti jedan članak koji možeš i da prodaš ako hoćeš ima ljudi koji prošire kvadraturu pa bi im dobro došao ....
Možda ne bi bilo loše čak da sačekaš neki žešći minus pa da je pustiš da tutnji i onda vidiš kako se ponaša ...
samo da dodam naravno ako ne možeš količinom goriva da eliminišeš smolu i ako nije nešto drugo u pitanju nego predimenzionisan kotao ...
Ma ne smem da ga skidam za 3 god puštam još jednu sobu od 20m2 još jedno kupatilo 8m2 i kuhinjicu 12m2 i hodnik je 5m2 dakle još 45m2 tako da će tad pa biti malo. Radijatore sam već postavio 3 kom od 1.4m i u hodniku mali od 0.8 m osim u kupatilu nemam još ni pločice. Oću da odvojiim sebe od dece.
Nikola zašto vam je razlika između potisa i povrata u kotlovskom krugu 0.9bar-a (toliki otpor kotao ne može da stvori) to je previše. Ovo mislim na slučaj sa snimka kada je uključena pumpa a ne na ovu sliku koju ste priložili na kojoj su svi ventili zatvoreni. Jedino što može toliko da guši cirkulaciju to je odvajač nečistoća. Da li ste ispirali sistem pre puštanja u rad? Otvorite i očistite odvajač nečistoća za početak pa da vidimo za ostalo...
Majstor je samo pustio vodu na crevu napunio sistem na 2.2 bara i otišo. Nije prano ništa. Očistio sam odvajač bio je pun nekih sitnih metalnih iglica i svačega. Sad je razlika 0.1-0.2 bara u zavisnosti od brzine pumpe. Ali i dalje iz mešnog prema kotlu ide ista temp kao iz povrata iz sistema. Možda ovaj moj mešni je pokvaren?
Nikola Pešić wrote:Za početak kupih na Vaš predlog uzoh automatski elektro pogon za mešni ventil ali prodali su mi neki koji ne radi ništa, jes da sam tražio najeftiniji al nisam znao da ne radi ništa. Šta sad da radim sa njim? Da ga vratim ne mogu.
Koju pumpu da stavim u kotlovski krug? 32-6 mi je radijatorska i očigledno da je slaba? Mogu li neku jeftinu da stavim tipa Shimge ili HST ima da se nadju baš baš povoljno?
Ako si uzeo samo motorni pogon moraš još i elektroniku koja će da mu komanduje.
Pumpa nije slaba a za kotlovsku uzmi naj jeftiniju Kinesku,rade i one.
Drva koliko su suva?
Poštovani, ako nije problem da mi kažete koja elektronika je u pitanju?
Pumpu ću kupiti shimge nego problem nema 5/4 sve 1 col ove na kp
Drva su deo kraj avgusta a deo oktobarska al gore lepo. Avgustovska se prosušila fino na izgled ova oktobarska puna vode al do februara će se prosuše unesena su u kotlarnicu. Znam da treba bar godinu dana stara ali nisam mogao da ih obezbedim.
Ako moze skica kako bi ovo trebalo da se prepravi.
Otprilike ovako...
Nikola Pešić—
Drva kupuj što ranije početkom godine,da imaju vremena da se prosuše.Što suvija drva veće iskorišćenje!Mokra drva samo problem.Gušenje vatre isto problem!AT obavezno,početno je ulaganje ali bolje koristiš drvo,manje posla,kotao čist,dimnjak čist i dobitak čist.
Pumpa od 1“ ili 5/4 je isti motor,radno kolo,samo je priključak drugačiji.Bolje je da imaš iste priključke pumpi zbog eventualnih kvarova,zamena.
Elektronika za regulaciju grejanja ima raznih,po volji.HeatOn je za mene odličan i po ceni i po mogućnostima.http://stsrdjan.blogspot.rs/
Grejanje na drva većina smatra običnom rabotom.Ima tu mnogo „sitnica“ koje znače!http://www.forum.hr/showthread.php?t=1042969&page=63
Ma ok to za drva znam, jednostavno nije se stiglo ove godine mnogo lažu drvari platio sam ih u februaru, al duga i druga priča je to, sledeće godine biće suva sva.
Evo uzo od druga suva skroz drva za vikend da probam, i jes da manje dimi ali isti problem se javlja, i dalje mi povrat u kotao hladan kolko god da zatvorim mešni.
Za pumpu i majstor reko može bilo koja za kotlovski krug ima redukcija ako uzmem manju, tako da ću prvo to da ugradim jer 20e majstor i pumpa 35e = 6000din to mogu nekako da podnesem valjda.
Da li ta regulacija grejanja što ste mi rekli može da drži povratni vod na 60 stepeni? Nigde u opisu to nisam video a ima svašta pa sam možda preskočio. Nije baš jeftina iskreno, vidim da se original prodaje za 100e u Hrvatskoj nemoguće da poštarina košta 25e??? Da li bi mi poslali iz Hrvatske poštom ili na autobus još bolje? Baš je velika razlika u ceni.
Pročitao sam ceo blog Srdjanov i veoma zanimljive stvari piše čovek alal mu vera, ali mislim da regulacija nema ono što mi treba (ima mnogo toga lepog i korisnog za paletare, sa sobnim termostatom niko i ne ide do kotla još da ima preko android telefona bilo bi extra mnogo dobra stvar), vidim da mi fali i hidraulična skretnica nisam znao da treba doduše i sad neam pojma zašto služi uopšte
Kolko bi koštao akumulator i to oko njega za mene ?
p.s. dobar link ima nedelju dana da čitam valjda nešto pametno i pročitam.
p.p.s. Da sam znao da ću ovolku muku da imam uzeo bi kotao na pelet, komšija se greje ko gospodin al skupo. Metar drva kod nas 30e a bagrem bio 3000din letos, a pelet skoro 200e.
Kako je najbolje da "razmrdam" mešni ventil. Još uvek koristim grejanje na gas ali ovih dana najavljene su niže temperature pa treba da pređem na čvrsto gorivo a ventil ne može da se vrati ispod jedne trećine, slobodan je za opseg od jedne trećine do 100% otvoren. Mada meni i ne treba taj donji opseg, ali se pitam da li uopšte funkcioniše ako ima kočenje na jednom delu.
Nikola,mešni(4k)ventil mora da bude ispravno povezan,kad ugrađuješ pumpu neka „majstor“ i to uradi.
HeatOn reguliše temp.prema radijatorima a povrat reguliše regulator promaje.Regulator drži na 80 a 4k ventil će pustiti u grejanje koliko HeatOn podesiš a ostatak se vrati u kotao.Ako počne temp. u kotlu da se diže regulator će prigušiti vatru i obrnuto.Kad se sve zagreje nema više katrana već gar.Moraš i da se učiš kako ,koliko i na koje vreme da ložiš.Ipak su to drva,ložač je neophodan a elektronika samo pomaže i nije jeftina.HeatOn je,čini mi se,naj jeftiniji u njegovoj klasi.Ima podosta opcija regulacije,fiksna temp.,po spoljnoj temp.,noć…Možeš da ga naručiš kod Srđana.
E uz AT (1000l oko600-700€)sve je mnogo komotnije.Sa jednim,dva loženja u toku dana ceo dan je toplo.Boga mi košta ali i vredi!
Čitaj onaj forum i dosta će ti se razjasniti ozbiljnost grejanja na drva.Ljudi i neznaju za bolje,nije dovoljno samo da imaš svoju šumu.
Cena drva skočila,kod mene,još proletos na 40€,sa 30,i ne znam da li će se vratiti na staro,sumnjam ali je i pelet skočio…tako da su drva opet dosta jeftinija.I peletari imaju problema tako da je situacija slična i to je drvo,nije to Nafta,Struja,Plin pa da je bezbrižno,ima uvek nešto da se proveri,uradi,podesi…
@Nikola Pešić
HeatOn regulator je originalan i u Srbiji.
Neko se potrudio, radio, odradio kompletnu logistiku i pruža podršku za isti taj uređaj ovde na našem tržištu kao i na teritoriji Makedonije i Kosova. Potpuno je logično da bude skuplji, ali verujte da za ono što pruža vredi duplo više.
Sad da pređem na problem koji imate. Kolega Histerezis Vam je okačio idealnu šemu po kojoj treba povezati sve komponente u kotlarnici. Hidraulična skretnica je više nego poželjna, a pumpa u kotlovskom krugu OBAVEZNA! Na mom blogu je opisan rad kotlovskog kruga do detalja i opisano je kako se ponaša temperatura u povratnom vodu ka kotlu i kako da promenom brzine na samoj pumpi utičete na temperaturu u povratu.
Ok hvala svima. Mislio sam da sam lepo uradio instalaciju jer sam isto prekopirao ovde od člana foruma Mladena kog ste tad ishvalili da je to extra uradjeno. Regulator je uvek na 80 što se i vidi na mom snimku i polaz je ok, mene samo zeza povrat zato sam tražio to kako da sredim da ga povećam. Krenuću jedno po jedno za sad prvo pumpa u kotlovksom a akumulator toplote je nedostiužan ali za par godina ga sigurno ugradjujem, kolko sam razumeo kad imaš AT ne treba hidraulična skretnica pa je sad ne bih stavljao da ne bacam pare a skupe su baš.
Nisam znao da je Srdjan prisutan na forumu, ništa loše nisam mislio kad sam napisao za cenu samo sam zapazio samo da je puno skuplje ništa loše taman posla. Pročitaću još jednom ceo blog veoma je zanimljiv, sve pohvale za Vas i ostale sa foruma. Javljam kad stavim pumpu da li ima promena.
Nikola, sa koje slike ste iskopirali Mladena? Mladen kad radi on ne štedi ni na čemu (ovo mislim u pozitivnom smislu) ni na fitingu ni na automatici, obično pametnu pumpu postavi u potrošačkom krugu.....
Sve osim pumpe u kotlovskom sam iskopirao. Zadnje slike koje je postavljao na forum isto viadrus zeleni je bio.
Nikola,
Tačno, na toj fotografiji se zaista ne vidi pumpa u kotlovskom krugu, ali da ste pažljivo čitali njegove postove sigurno biste pročitali da na x mesta pominje pumpu u kotlovskom krugu kao obaveznu. Kako god, ugradite je što pre, a ako imate nameru da kasnije ugradite i AT onda hidrauličnu skretnicu sada ne ugrađujte. Radiće sistem korektno samo sa četvorokrakim mešnim ventilom.
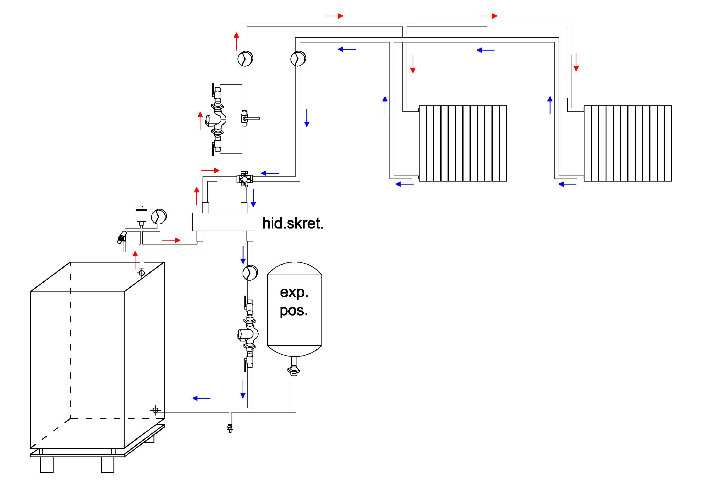
U prilogu ovog posta dostavljam Vam šemu grejnog sistema sa AT sa svom pratećom automatikom. Eto, da budete spremni za upgrade, a i da nešto ne previdite. 
Izgleda da meni nema pomoći, ili je pitanje nejasno postavljeno?
Doksob, za početak odšrafite holendere skinite mešni ventil i vizuelno ga pregledajte sa svake strane iznutra...
Dali pumpe u potrosackom i kotlovskom krugu moraju biti iste jacine ?
Ne treba. U kotlovskom ide najmanja.
Samo da pohvalim ljude sa foruma !
Hvala Vam veliko. Rešio sam problem povrata. Jeste bila slaba cirkulacija u kotlovskom krugu. Ubacio sma najjeftiniju pumpu 25e od kupujem prodajem kinesku šimge nisam teo kopije grunfos. Nažalost i dalje se lepi po kotlu nešto lepljivo ko katran al više nema kondenzata, a nadao sam se da će to da reši sve probleme. Možda ću morati i akumulator toplote ipak da ubacim čim nadjem 1000e, ili za te pare pelet set pa kad je malo ladno tj prelazni period ja pelet neki mali gorionik do 12kw a kad zaladni druga vrata i da guram drva, nisam pametan više, što više čitam manje znam i opasan mi je haos nastao.
Majstor mi predlaže da kupim 2 temostata, kotlovski da mi se pali na 40stepeni a grejni krug na 50-55stepeni i da ne treba automatika pošto imam svuda termo glave već nežno rukom da podešavam jednom nedeljno ventil kako se menja temp spolja? Da li je pametna ideja? Ili mora automatika?
Znam da smaram al još malo pomozite i vikam pivo 
Katrana u kotlu nećeš se rešiti bez šamota i Akumulatora toplote.On mora da izgori da nebi bio na zidovima kotla i dimnjaku.
Samo rad Kotla na max.to obezbeđuje a to bez AT nije moguće.
Regulacija rada pumpi sa termostatima može,4k ručno podešavaš prema potrebi a termo glave će finije regulisati.Regulator promaje drži na 80°C.
Probaj da prvu vatru zapališ odozgo a kasnije cepanice,kad se napravi žar,stavljaš uspravno.Sitnija drva bolje gore.
Radna t kotla treba da bude preko 70°, dok to ne ispoštujete kondenza tj katrana će uvek biti. Dve pumpe i četvorokraki ventil ima smisla samo ako ima automatike na mešnom ili ako ste veći deo dana u kotlarnici i imate vremena da se igrate sa njim, u suprotnom čim se jedna pumpa uključi ona će poterati vodu kroz sistem. Sad bi najjeftinija varijanta bila pogon i automatika, al to već treba da Vi vidite za koju kombinaciju ste.
Samo da pohvalim ljude sa foruma !
Hvala Vam veliko. Rešio sam problem povrata. Jeste bila slaba cirkulacija u kotlovskom krugu. Ubacio sma najjeftiniju pumpu 25e od kupujem prodajem kinesku šimge nisam teo kopije grunfos. Nažalost i dalje se lepi po kotlu nešto lepljivo ko katran al više nema kondenzata, a nadao sam se da će to da reši sve probleme.
Možda ću morati i akumulator toplote ipak da ubacim čim nadjem 1000e, ili za te pare pelet set pa kad je malo ladno tj prelazni period ja pelet neki mali gorionik do 12kw a kad zaladni druga vrata i da guram drva, nisam pametan više, što više čitam manje znam i opasan mi je haos nastao.
Ako se odlučuješ za pelet onda ti ne treba AT već automatika na postojećem sistemu. To je skuplja varijanta i nemaš grejanje na struju.
Majstor mi predlaže da kupim 2 temostata, kotlovski da mi se pali na 40stepeni a grejni krug na 50-55stepeni i da ne treba automatika pošto imam svuda termo glave već nežno rukom da podešavam jednom nedeljno ventil kako se menja temp spolja? Da li je pametna ideja? Ili mora automatika?
Termostati ne rešavaju problem. 40*C je malo, namanje 60*C.
Nikola Pešić wrote:Jedino ako misli na termostatske ventile (oni menjaju automatiku tako što namestiš temperaturu npr. 45*C i ventil automatski održava izlaz te temperature) ali to zanči da si ove ventile kupio pogrešno. Treba videti, možda ti je jeftinije da ih skineš i staviš termostatske ventile jer ovde ti sad treba motor i elektronika koja njima upravlja a to je (mislim) skuplje.Majstor mi predlaže da kupim 2 temostata, kotlovski da mi se pali na 40stepeni a grejni krug na 50-55stepeni i da ne treba automatika pošto imam svuda termo glave već nežno rukom da podešavam jednom nedeljno ventil kako se menja temp spolja? Da li je pametna ideja? Ili mora automatika?
Termostati ne rešavaju problem. 40*C je malo, namanje 60*C.
Nokola loži drva ima 4k ventil,ručni,termo glave su regulacija.Termostati bi pokretali pumpe,samo start,ne određuju temperaturu,pogotovo kotlovsaki.

Poštovani,
Posle provedenih dana i noći u kotlarnici, ukapirao sam i sam svoju grešku jer sam od straha kupio za jedan članak veći kotao, i priznao sebi iako sam znao da treba manji da su majstori odradili svoj pritisak na mene maksimalno. Kao to je na ugalj ti koristiš drva sečena ovog leta neka bude jači. Tolko sad ja nazad nemam para da idem, sve što sam imao uložio sam. Akumulator toplote možda za 3 god kad izadjem iz kredita a do tada moramo da nadjemo način da mi pomognete. Jednostavno 4-kraki mešni ne radi poso pa makar ga otvorio i samo milimetar povrat u kotao i dalje je hladan kao i povrat iz sistema dakle ko da ga nema. Al da ne kukam rešio sam da rešim problem uz pomož ljudi sa foruma.
Za početak kupih na Vaš predlog uzoh automatski elektro pogon za mešni ventil ali prodali su mi neki koji ne radi ništa, jes da sam tražio najeftiniji al nisam znao da ne radi ništa. Šta sad da radim sa njim? Da ga vratim ne mogu.
Koju pumpu da stavim u kotlovski krug? 32-6 mi je radijatorska i očigledno da je slaba? Mogu li neku jeftinu da stavim tipa Shimge ili HST ima da se nadju baš baš povoljno?
Slike sam okačio možda niste videli.