Više sam za varijantu http://www.limundo.com/kupovina/Masine-i-alati/Elektricne-masine/Centrif... metalnog ventilatora..
Samogradanja pelet-gorionika
ivanziva
po onome sto si uradio vidim da si skoro poceo da se bavis time-ono sto ja mogu da ti kazem gledajuci tvoje slike je sledece-plamena cev se usijava i nju moras termo pregraditi od ostalog dela gorionika sto je kod tebe izjedna-ubacivanje peleta mozda si pogodio visinu ali gledajuci tvoje slike pelet ce padati daleko od grejaca pa neznam dali ce ga paliti-tu ti nedostaju tkzv usmerivaci -ovori za grejac i pretpostavljam foto celiju su po meni preveliki i tu ces gubiti pritisak vazduha i jos mnogo toga bih pisao ali ti zelim da uspes samo treba strpljenja i volje i jbg para
Što se tiče izolacije, trenutno tražim azbestno platno od 3mm. Pelet pali vruć vazduh oko grejača kroz cev, probano i radi. Rupa za foto ćeliju neće biti prolazna za vazduh. Drago mi je da ima ljudi spremnih da pomognu i ukažu na ono što bi mogao da bude problem i hvala na tome, međutim mi je žao što je malo onih koji žele da podele iskustva sa ostalim samograditeljima a forum valjda tome i služi...ili ne?
Vidim tema je zivnula a nisam neko vreme bio tu.
Ivanziva - tesko ces da nadjes azbestno platno posto je zabranjeno a ja imam keramicko platno koje sam ja koristio od mislim 4 mm i imam i od 2mm pa ako ti treba posalji dimenzije na PP pa cu ti poslati onako sto kazu za DZ.
Ja trenutno pauziram sa gorionikom mada sam pri kraju posto imam drugih obaveza.
Hvala ti na podrski. Reci mi sto se tice prenosa nabavio sam neki planetarni reduktor 1:11 ali se bojim lomova ili ipak da pokusam naci veliku remenicu kao sto si ti napravio presu pa da direktno idem sa remenjem .Kako bi ti na mom mestu pre uradio
Evo osnove od mog novog gorionika. Plamena cijev je dužine 190 mm, unutrašnji prečnik je fi 150 mm a stijenka je debela 9 mm. Cijev ja spojena sa prorubnicom ali ovo crveno je vazgušna komora i ona ne dozvoljava da se toplota prenosi na zadnji dio gorionika. Na toj komori sa strane dolazi priključak za ventilator tako da ventilator može biti i podalje od gorionika. Kako bude napredovala gradnja tako će i slike da izlaze na ovom forumu
Lepo izgleda, svaka čast. Kolika snaga se očekuje iz ovog gorionika?
Престао сам да пратим тему девно,јер ми се није исплатила самоградња,па поштујући оно да је фабрика фабрика и ако је најгора,купио сам у стисци са временом горионик Бош и уградио га,грејем се ево већ другу зиму.Све то ради "господски" лепо нема грешке,али,кад поредим са ценом грејања на угаљ изађе да је на пелете више него два пута скупље!Дакле,грејем исти простор,исту површину,па каква год да је кућа,ако за угаља треба ХХХ динара за пелете треба нешто преко два пута толико и нисам задовољан.Једноставно цена је превелика.Можда је то најбоље решење некоме кога не занима цена већ удобност,неће да чсити и ложи,лгерује угаљ итд-њему свака част,има се-може се што би рекли,па није битно колико кошта.Али,ако гледате и цену е онда није свеједно.Користио сам само БИЕНЕРГИПОИНТ пелете,као најбоље су,не знам,али по цени и утрошку нисам задовољан нимало.Да је то двадесетак посто скупље од угља мени би било прихватљиво,ово ми је много,лично-добро ћу размислити шта ћу наредне зиме.Сада чак ноћу спуштам температуру ниже него са угљем,не помаже!Ово Вам пишем као информацију а не као молбу за помоћ.Знам шта је димњак,"теорије" о температури димних гасова,знам други закон термодинамике (а знам да га 90% мајстора за грејање не зна),имам и термалну камеру да видим топлоту,тврдим Вам све је оптимално осим цене.Немам начина да проверим топлотну моћ пелета што је огроман недостатак,но,јефтинијих пелета нема,па му дође на исто.Од џака до џака,негде је пепео светле боје понегде црн-ово можда говори да пелет није буква-не знам,али са ценом по мени је катастрофа.Са друге стране,сви продају "100% букву"...сечемо ли је том брзином,остаје да се замислимо одакле та толика буква,ми немамо амазонске шуме.Уколико цене пелета не иде доле -а ово "савремено" доба профита по сваку цену,мислим да не познаје тај термин,биће то ситуација у којој зарађују пелетари.Близу сам одлуке да се један месец грејем на струју па да видим колико то изађе.Пелет купујем тону месечно,близу ми је трговац па је лако,а имам и котао на струју повезан,па буде ли хладније,нећу да купим пелет пустићу електрични котао па да видим колико то изађе.По оној народној "кад је пропаст...." да видим нашта то излази.Немам намеру да мислите да Вас на било шта наговарам и/или убеђујем,ово су једноставно моја искуства!Тотално разочарање што се тиче цене,катастрофа....поређено са угљем!
Lepo izgleda, svaka čast. Kolika snaga se očekuje iz ovog gorionika?
Bez problema bi trebao da izbaci 30 kw ali ja ću ići da to bude oko 20 kw max. Prilagođavanjem rešetke i sa smanjenjem prostora za sagorijevanje snaga može da se uklopi po potrebi.
Pri kraju sam sa kupovinom komponenata za izradu gorionika.Do kraja sledece nedelje bi trebalo da stigne i Bugarska elektronika koju su svi koji su je probali preporucivali,pa je uzeh i ja.Cena 90 evra plus transport.U mom slucaju,izaci ce nesto oko 120e.Ideja je bila da se turbina iskoristi od starog gorionika za naftu,medjutim,sve sam blizi ideji da koristim nezavisni centrifugalni ventilator.Ono sto je problem je gde isti naci po razumnoj ceni?Ukoliko neko ima iskustva po tom pitanju,bio bih zahvalan za sugestiju.Za vikend verovatno sledi sklapanje komponenata pa ce biti i slika.
Pozdrav mare123, bilo bi dobro ako bi nam uslikao te svoje komponente i iznio plan kako je to zamišljeno. Možda se nešto može korigovati prije ugradnje jer to poslije bude malo teže. Nako će možda predložiti nešto bolje, neko će naučiti nešto novo a neko će možda ukrasti komplet ideju. Ti odluči dali će to ostati pod velom tajne ali će onda možda izostati i neka bolja riješenja. Prije nekoliko postova sam pisao da je ventilator od kuhinjske nape odličan za gorionik. Ako se sve komponente kupe onda to izađe mnogo skuplje od gotovog gorionika. Ovdje mora da bude samogradnja maksimalno zastupljena da bi to imalo finansijsku opravdanost. Sretno
Dobro, jel radi neko nešto ili ne?
Ajmo da živne tema malo...
evo jedan projekat što sam slikao usput...
Neznam da li je pravo mesto na forumu ali stigla mi je turbina za gorionik 90/135w, 190/250 m3/h. Ispostavilo se da je prejaka za moj gorionik pa ako nekome treba, može na PP. Pozdrav svima
Radi se radi, sutra bi mogla leći i neka nova sličica
Biće, biće i slika a i videa...
Nešto se radilo ovih dana pa evo još nekih urađenih pozicija na gorioniku
Dusanmijat, pa ovo je ozbiljna izvedba. Bravo!
Evo ljudi da se ukljucim na forumu. Našao sam neke španske sajtove gde ima dosta dobrih ideja, slika, pošto španski ne razum, a google prevodi dosta smešno. Evo linkova:
http://www.lasfargues.com/quemador2.html
http://www.solarweb.net/forosolar/general-biomasa/25542-quemador-biomasa...
Ja tek kibicujem i skupljam podatke i materijal a i vaše savete i iskustva. Čim saznam ili pronađem nešto javiću.
Pozdrav svima a najviše dušan-mijatu.
Dusane dali ce ovaj novi gorionik sto pravis imati mogucnos regulacije odnosa primarnog i sekundarnog vazduha
Naravno, u vazdusnoj komori su 2 sibera na primaru a 2 na sekundaru
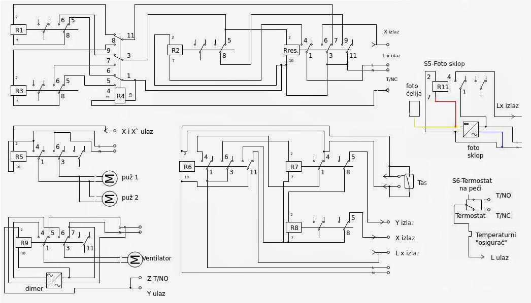
Evo jedne šeme automatike za pelet gorionik.
Cim sam vidio da i glavni i dozator u gorioniku rade u istom intervalu, shvatio sam da je to crtao neko ko nije stajao ni 10 minuta pored gorionika u radu. NEVALJA
Evo mog razmišljanja na temu spremnika.
Jako rizično bez dodatnih učvršćivača. Na tako malom delu da se drži i da se niko ne nasloni a kada bude pun peleta... ne vidim razloga tolikog rizika.
Ja prikazah spremnik i ideju da se ne sakupla prašina kao kod stojećih spremnika a učvršćivanje je drugi deo posla... da podgrejemo temu. Pozdrav
alek.petro i ostali koji koriste Bugarsku automatiku.
Ako može u kratkim crtama objašnjenje modulacije ove automatike. Interesuje me histereza temperatura između snaga i ako može kratak primjer sa temperaturama i vremenom prelaza. Ovo me interesuje jer sam vrlo blizu kupovine pa nebi da se razočaram. Hvala svima
https://www.youtube.com/watch?v=XtzuWxHcvfc&feature=youtube_gdata_player
Probni rad bez elektronike i doziranje ručno na taster da se vidi minuli rad i eventualno dorade nedostaci.
Da ne zaboravim, veliko Hvala Lav102 za ukazanu pomoć i podršku!
Pozdrav
ma nema većeg zadovoljstva od onog kad čovek sam napravi nešto i time olakša sebi život, svaka čast. doziranje možeš i sa dva vremenska releja, ne mora skupa automatika, paljenje ručno. kasnije, kad se nauživaš ove varijante možeš ići na dalju automatizaciju. još jednom, bravo i pozdrav lava!

ako si to probao napolu onda je to logično ali ako se tako ponaša i u kotlu onda je cug slab ali i primarni vazduh može biti problem. Onaj otvor mi se čini poveliki mada ne vidim klike su rupe za sekundar. Dobar ventilator ćeš naći u svakom kuhinjskom aspiratoru samo se mora maska malo dotjerati